EasyManua.ls Logo

Kobra SSD - Shema Electrique 220 V - 60 Hz

Kobra SSD
Print Icon
To Next Page IconTo Next Page
To Next Page IconTo Next Page
To Previous Page IconTo Previous Page
To Previous Page IconTo Previous Page
Loading...
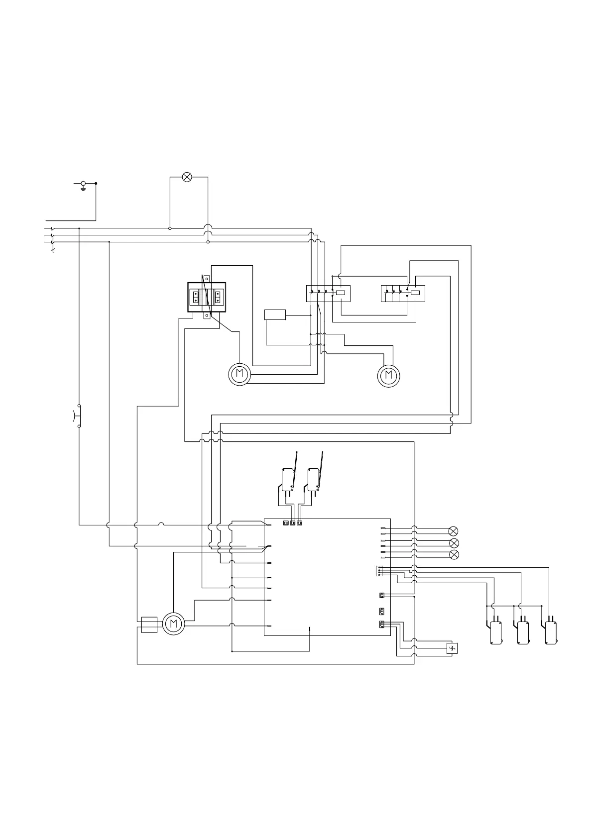
ELECTRICAL DIAGRAM 220V-60Hz
82
ELECTRICAL DIAGRAM 220V-60Hz
82
RETE
L
N
AVANTI
2° GRUPPO
RETRO
2° GRUPPO
1° GRUPPO
AVANTI
1° GRUPPO
RETRO
PORTA 2
PORTA 1
PORTA 3
NEON Porta aperta
NEON Intasamenti
NEON stop carta
FORW.
REV.
STOP
COM.
BUTTONS
Timer
TA
RETE
L
ENCODER
superiore
ENCODER
inferiore
L2
I.G.
L3
S
T
L1
R
A1
A2
1L1
3L2
5L3
2/T1
4/T2
6/T3
RELAY
N.C
A1
A2
1L1
3L2
5L3
2/T1
4/T2
6/T3
N.C
FORWARD
REVERSE
R
S
T
N.C.
STOP
3 ph
R
S
T
TA-AMP
READER
R
WHITE
WHITE
BLUE
RED
BLUE
BLU
RED
BLACK
BLU
BLU
THERMAL
WHITE
WHITE
BLUE
BLACK
RED
YELLOW
GREEN
RED
BLACK
ENCODER
GREEN
BLACK
Cod.27.149
VACUUM MOTOR
MOTOR SECOND STAGE
PE
T
BROWN
BLACK
BLACK
BLACK
BLACK
BLACK
BLACK
BLUE
BLUE
BLUE
BROWN
BROWN
WHITE
WHITE
BLUE
BLUE
BLUE
BLUE
BLUE
HOUR METER
L
RETE
WHITE
WHITE
WHITE
BROWN
BLUE
WHITE
WHITE
BROWN
BROWN
BROWN
BLACK
RED
BLACK
RELAY
MOTOR FIRST STAGE
PC BOARD

Table of Contents

Related product manuals