EasyManua.ls Logo

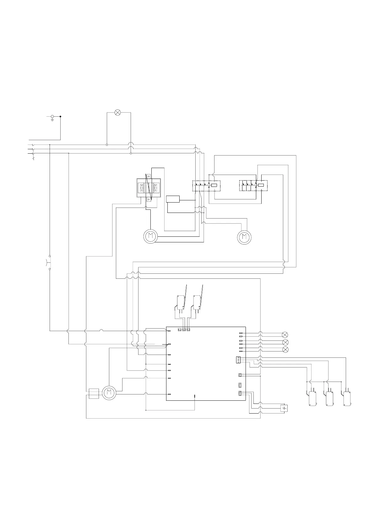
Kobra SSD - Schema Elettrico

Kobra SSD
Print Icon
To Next Page IconTo Next Page
To Next Page IconTo Next Page
To Previous Page IconTo Previous Page
To Previous Page IconTo Previous Page
Loading...
SCHEMA ELETTRICO 220V-60Hz
18
SCHEMA ELETTRICO 220V-60Hz
18
RETE
L
N
AVANTI
2° GRUPPO
RETRO
2° GRUPPO
1° GRUPPO
AVANTI
1° GRUPPO
RETRO
PORTA 2
PORTA 1
PORTA 3
NEON Porta aperta
NEON Intasamenti
NEON stop carta
FORW.
REV.
STOP
COM.
PULSANTI
Timer
TA
RETE
L
ENCODER
superiore
ENCODER
inferiore
L2
I.G.
L3
S
T
L1
R
A1
A2
1L1
3L2
5L3
2/T1
4/T2
6/T3
T.R.
N.C
A1
A2
1L1
3L2
5L3
2/T1
4/T2
6/T3
T.R.
N.C
AVANTI
RETRO
R
S
T
N.C.
STOP
3 ph
R
S
T
TA
R
BIANCO
BIANCO
BLU
ROSSO
BLU
BLU
ROSSO
NERO
BIANCO
BLU
BLU
TERMICA
BIANCO
BIANCO
BIANCO
BIANCO
BLU
NERO
ROSSO
GIALLO
VERDE
ROSSO
NERO
ENCODER
VERDE
NERO
Cod.27.149
BIANCO
ASPIRATORE
MOTORE GRUPPO INFERIORE
MOTORE GRUPPO SUPERIORE
PE
T
MARRONE
NERO
NERO
NERO
NERO
BLU
BLU
BLU
NERO
BIANCO
MARRONE
MARRONE
BIANCO
BIANCO
BLU
BLU
BLU
BLU
BLU
NERO
NERO
CONTA ORE
NERO
ROSSO
RETE
L
MARRONE
BLU
MARRONE
MARRONE
MARRONE
BIANCO

Table of Contents

Related product manuals