EasyManua.ls Logo

Koehler KV3000 - 220-240 V Top Assembly Wiring (K23790, K23796)

Koehler KV3000
28 pages
Print Icon
To Next Page IconTo Next Page
To Next Page IconTo Next Page
To Previous Page IconTo Previous Page
To Previous Page IconTo Previous Page
Loading...
KV3000 Kinematic Viscosity Bath
Operation and Instruction Manual
KV3000-Manual
-22-
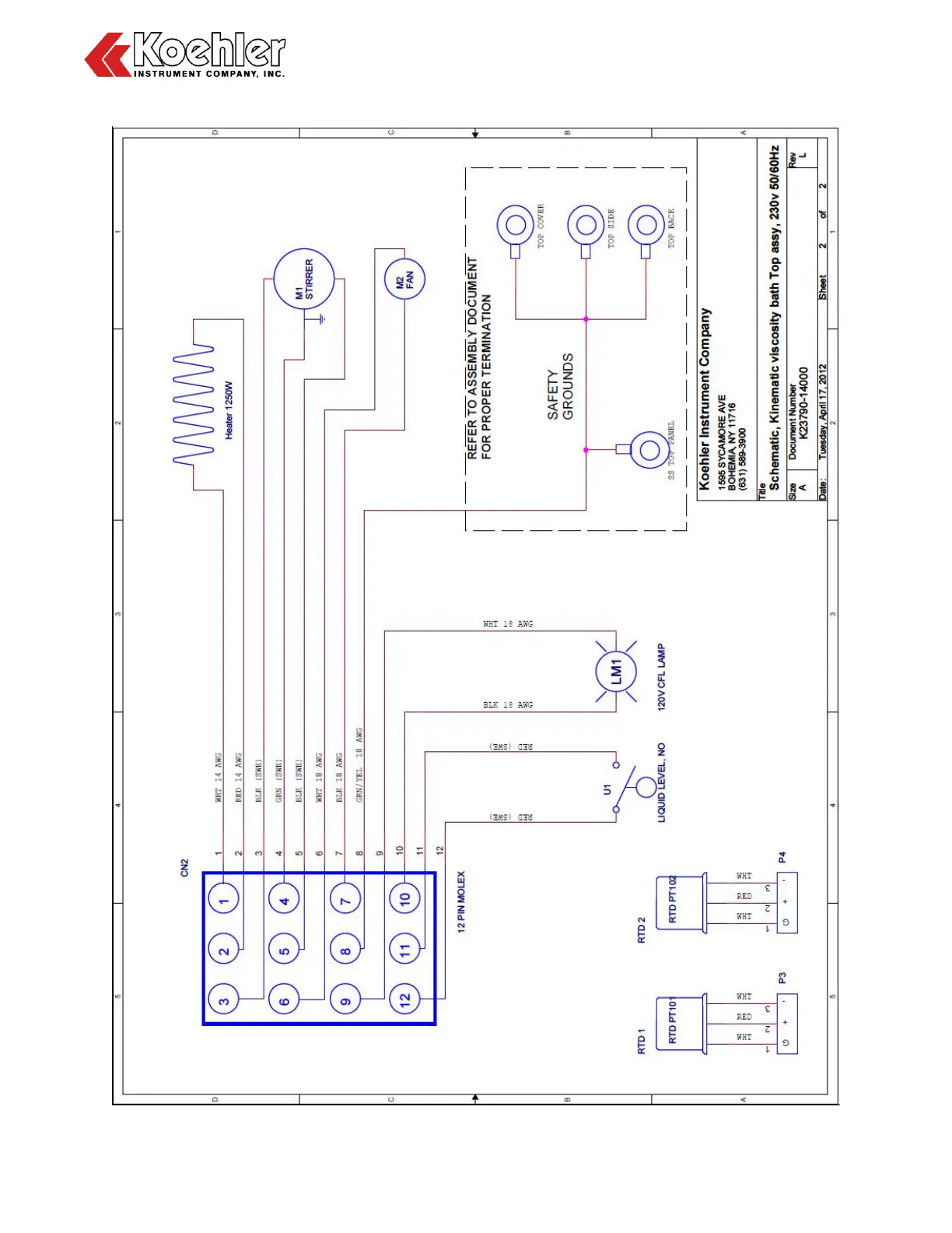
8.3 220-240V Top Assembly Wiring (K23790, K23796)