EasyManua.ls Logo

Kohler 12RES

Kohler 12RES
56 pages
To Next Page IconTo Next Page
To Next Page IconTo Next Page
To Previous Page IconTo Previous Page
To Previous Page IconTo Previous Page
Loading...
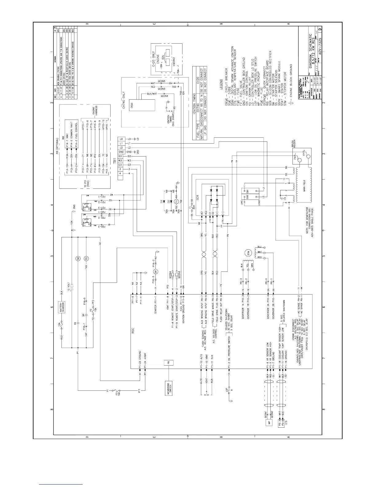
TP-6514 9/0944 Section 2 Wiring Diagrams
-
Figure 2-2 Schematic Diagram, Single Phase, 8.5/12RES, ADV-7325-D

Other manuals for Kohler 12RES

Related product manuals