EasyManua.ls Logo

Kohler 16.5EFOR

Kohler 16.5EFOR
84 pages
To Next Page IconTo Next Page
To Next Page IconTo Next Page
To Previous Page IconTo Previous Page
To Previous Page IconTo Previous Page
Loading...
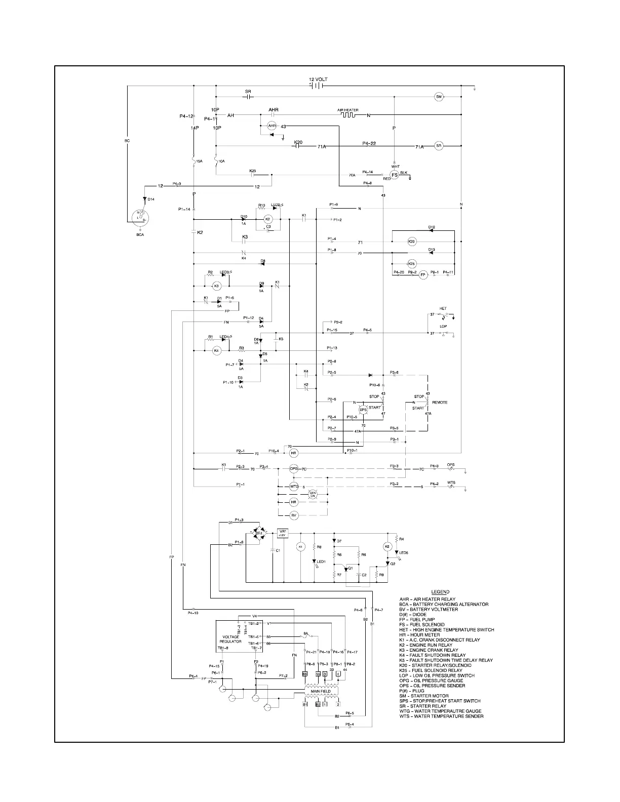
TP-6073 4/0668 Section 10 Wiring Diagrams
10.8 15/20EOR & 12.5/16.5EFOR with Brushes, Schematic Wiring Diagram
363508B-C

Table of Contents

Related product manuals