EasyManua.ls Logo

Kohler 16.5EFOR

Kohler 16.5EFOR
84 pages
To Next Page IconTo Next Page
To Next Page IconTo Next Page
To Previous Page IconTo Previous Page
To Previous Page IconTo Previous Page
Loading...
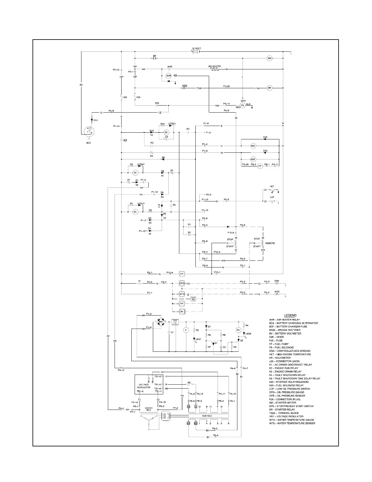
TP-6073 4/0670 Section 10 Wiring Diagrams
10.1015/20EORZ & 12.5/16.5EFORZ w/Exciter, Schematic Wiring Diagram
363509B-B

Table of Contents

Related product manuals