EasyManua.ls Logo

Kohler 5EFKOD - Page 65

Kohler 5EFKOD
80 pages
Print Icon
To Next Page IconTo Next Page
To Next Page IconTo Next Page
To Previous Page IconTo Previous Page
To Previous Page IconTo Previous Page
Loading...
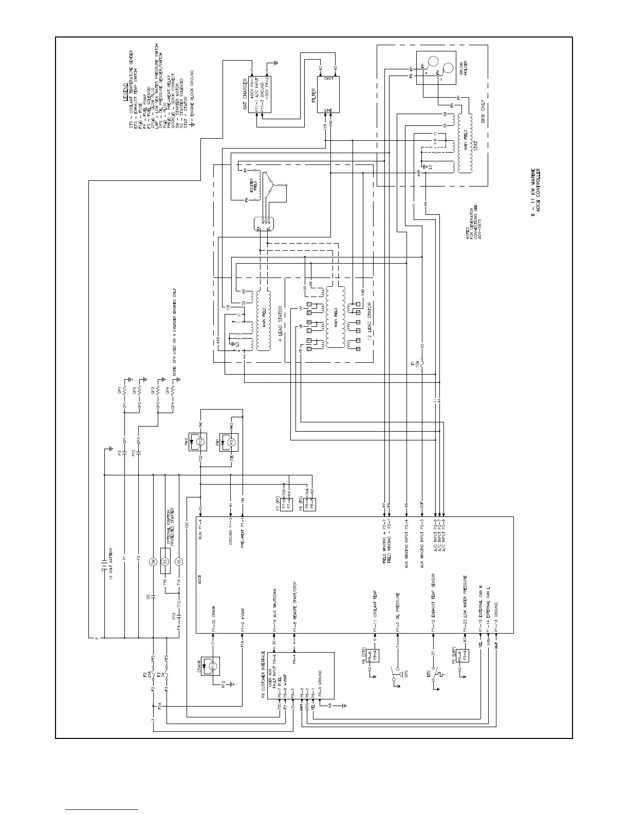
TP-6772 2/14b 65Section 5 Wiring Diagrams
ADV7995-C
Figure 5-4 Wiring Diagram, Schematic

Table of Contents

Other manuals for Kohler 5EFKOD

Related product manuals