EasyManua.ls Logo

Kohler Command Pro EFI ECH980 - Page 9

Kohler Command Pro EFI ECH980
104 pages
Print Icon
To Next Page IconTo Next Page
To Next Page IconTo Next Page
To Previous Page IconTo Previous Page
To Previous Page IconTo Previous Page
Loading...
Specifi cations
962 690 13 Rev. A KohlerEngines.com
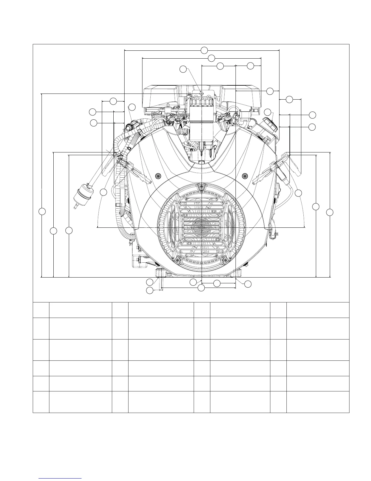
Engine Dimensions with Low-Profi le Air Cleaner - Flywheel Side
A
B
C
D
E
F
G
H
I
J
K
L
M
K
N
O
P
Q
R
S
M
L
T
U
V
W
X
A 483.0 mm (19.02 in.) B 370.9 mm (14.60 in.) C Lifting Point D
106.0 mm (4.17 in.)
Lifting Point
E 79.5 mm (3.13 in.) F 136.2 mm (5.36 in.) G
68.6 mm (2.70 in.)
Spark Plug Boot
Removal
H Oil Fill
I
33.3 mm (1.31 in.)
Spark Plug Removal
J
32.2 mm (1.27 in.)
Spark Plug Boot
K 37° L
389.6 mm (15.34 in.)
Spark Plug Boot
Removal
M
381.1 mm (15.00 in.)
Spark Plug Removal
N Mounting Hole "A" O 106.0 mm (4.17 in.) P 232.0 mm (9.13 in.)
Q Center Line Engine R
8 X Ø 10.7 mm (0.42 in.)
Thru Mounting Holes
S
Engine Mounting
Surface
T
572.5 mm (22.54 in.)
Lifting Point
U
32.7 mm (1.29 in.)
Spark Plug Boot
V
34.6 mm (1.36 in.)
Spark Plug Removal
W
70.0 mm (2.76 in.)
Spark Plug Boot
Removal
X
Mechanical Fuel
Pump

Other manuals for Kohler Command Pro EFI ECH980

Related product manuals