EasyManua.ls Logo

Kohler Decision-Maker 340 - Page 29

Kohler Decision-Maker 340
224 pages
Print Icon
To Next Page IconTo Next Page
To Next Page IconTo Next Page
To Previous Page IconTo Previous Page
To Previous Page IconTo Previous Page
Loading...
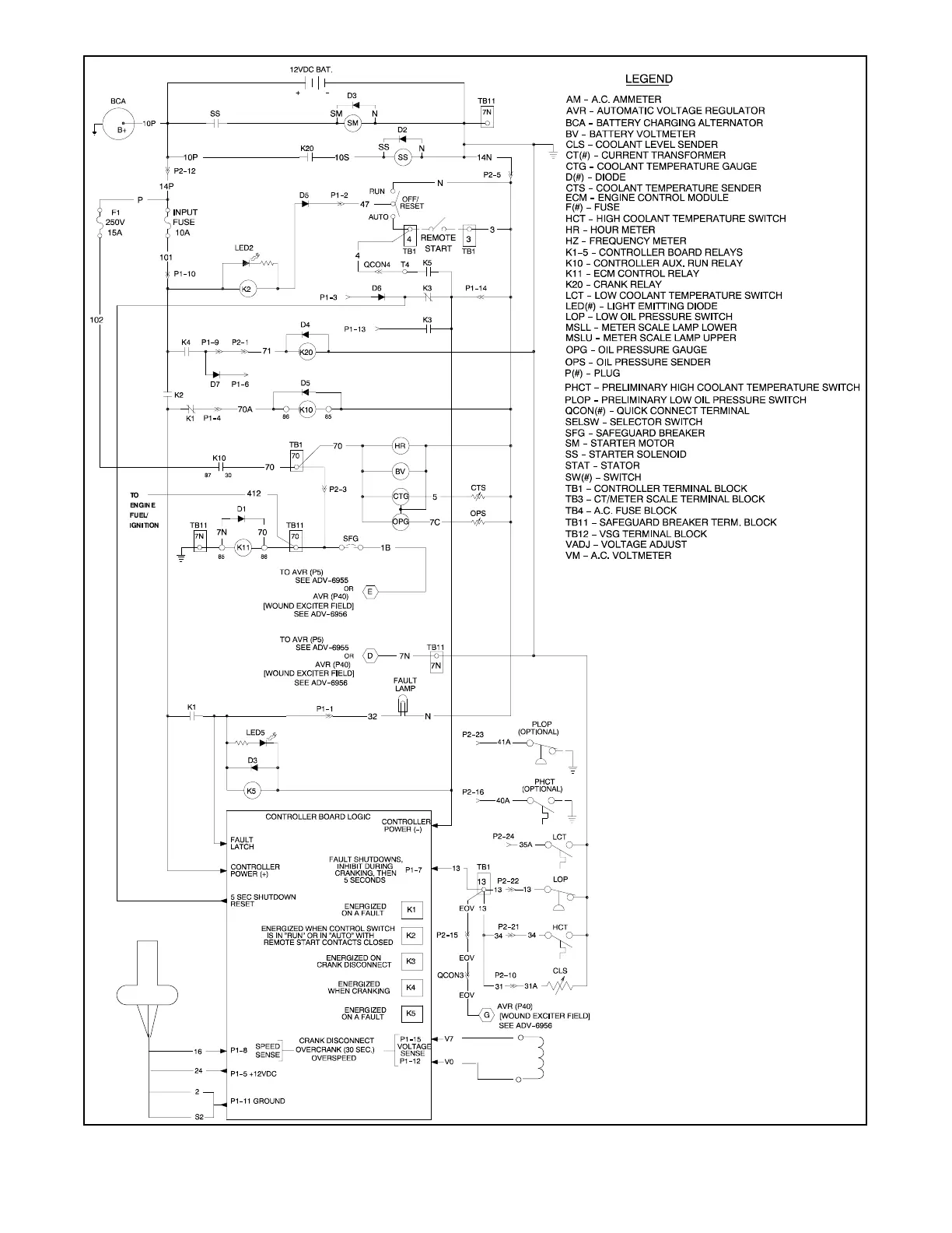
TP-6356 4/12 29Section 2 Decision-Makerr 1 Troubleshooting
ADV-6904-B-S
D Overcrank, Overspeed, LWL, HET,
and LOP drive the fault shutdown
circuit.
D Fault latch provided by K1 normally
open contacts.
D Overcrank shutdown is only driven
by AC.
D Crank disconnect driven by AC and
speed sensor input.
D Relays K1, K2, K3, K4, and K5 are
part of the controller circuit board and
their electrical connections and
circuits are simplified in this diagram.
D Fault latch line, fault shutdown, crank
disconnect, overcrank, overspeed,
and speed sensor (dotted lines) are
part of the controller circuit board and
their electrical connections and
circuits are simplified in this diagram.
NOTE
7
V0
V7
10
Speed
Pickup
NOTE
See Figure 2-4 for ADV-6955
(Permanent Magnet Alternator)
or
Figure 2-5 for ADV-6956
(Wound Field Alternator)
Figure 2-3 Relay Controller Sequence of Operation, Typical

Table of Contents

Related product manuals