EasyManua.ls Logo

Kohler Decision-Maker 340 - Page 40

Kohler Decision-Maker 340
224 pages
Print Icon
To Next Page IconTo Next Page
To Next Page IconTo Next Page
To Previous Page IconTo Previous Page
To Previous Page IconTo Previous Page
Loading...
40 Section 3 Decision-Makerr 3+ Troubleshooting TP-6356 4/12
GM28725-D-S
120 VAC for
Crank Disconnect
V7
2
V0
70
3
4
5
Panel Lamps
BV HR
WT
OP
2
P1-18 56
1
6
P2
AUX. Auxiliary.
FS Fuel Solenoid (or Ignition System)
HCT High Coolant Temperature
HOT High Oil Temperature
LCL Low Coolant Level
LCT Low Coolant Temperature
LOP Low Oil Pressure
OP Oil Pressure
PreHCT Pre High Coolant Temp
PreLOP Pre Low Oil Pressure
WT Water Temperature
Input
Output
1
4
21
24
31A
LCL
K1 71
Battery
2
0
+
--
FS
34
13
HCT
LOP
--
+
14P
24
16
70
Magnetic
Pickup
56 Engine Air Damper, if equipped
Aux. Immediate
Shutdown Switch
Voltage
Reg.
B+
Elec. Governor
Safeguard
Circuit
Breaker
70
Aux. Delay Shutdown
Alternator
Flash
57 Engine Air Damper (ground), if equipped
41A
PreLOP
40
35A
LCT
PreHCT
P1
10N
Ign. B+
30
31
Fuel System
31
HOT
Aux.
Delay
Shutdown
LCL
31
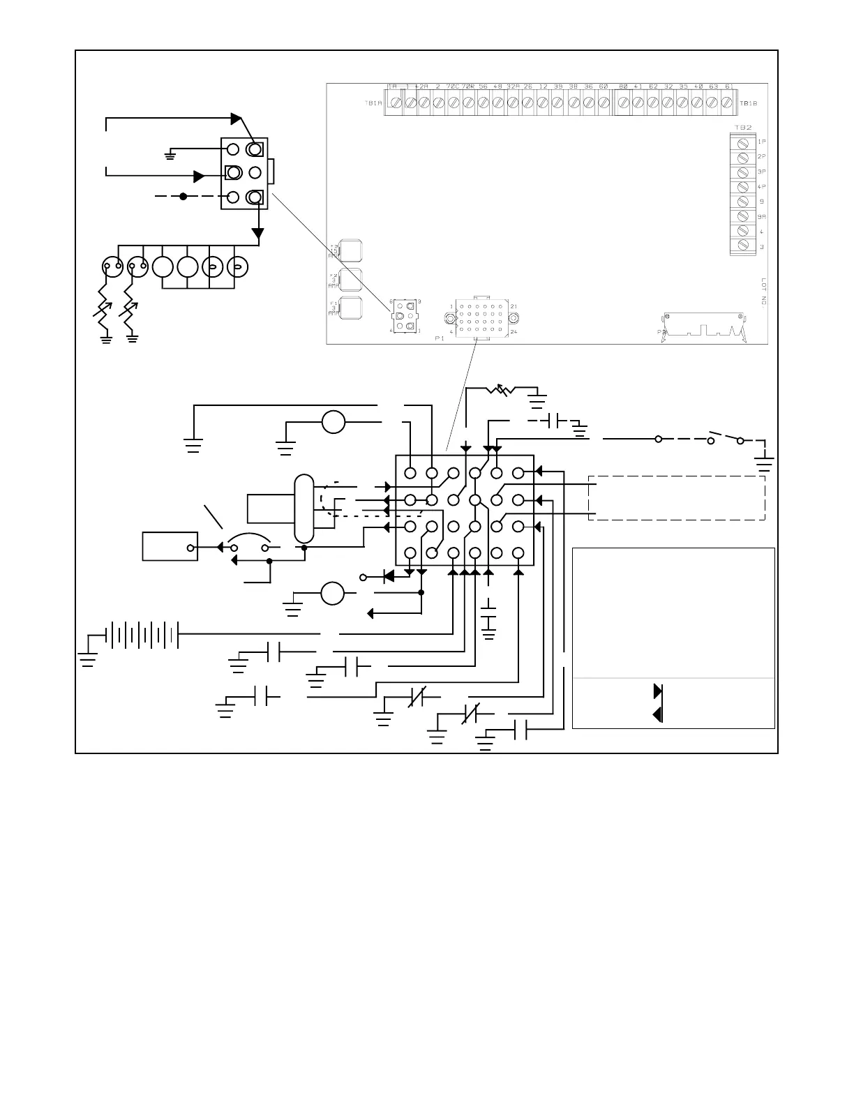
Figure 3-5 16-Light Controller Circuit Board GM28725/GM64497 Connections P1 and P2

Table of Contents

Related product manuals