EasyManua.ls Logo

Kohler Decision-Maker 340 - Page 42

Kohler Decision-Maker 340
224 pages
Print Icon
To Next Page IconTo Next Page
To Next Page IconTo Next Page
To Previous Page IconTo Previous Page
To Previous Page IconTo Previous Page
Loading...
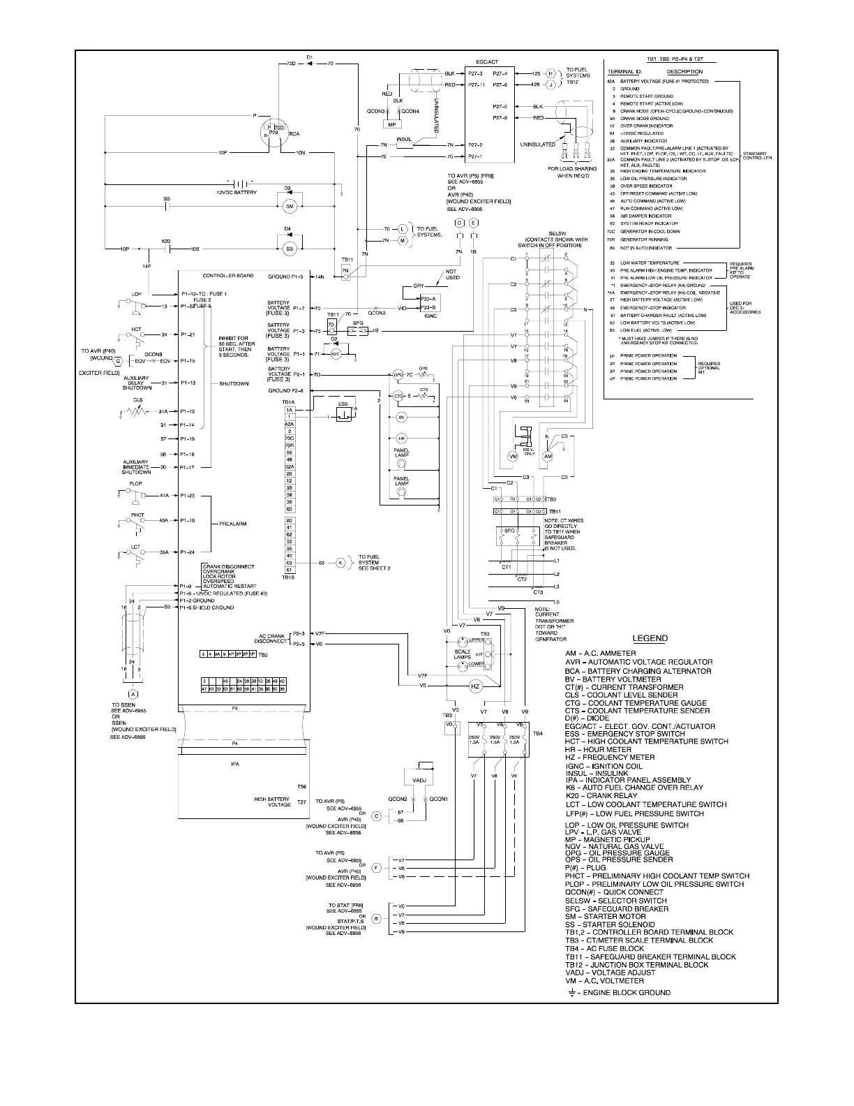
42 Section 3 Decision-Makerr 3+ Troubleshooting TP-6356 4/12
ADV-6670A-B
Note:
See Figure 3-8 for ADV-6955
(Permanent Magnet Alternator)
or
Figure 3-9 for ADV-6956
(Wound Field Alternator)
Figure 3-7 Logic S chematic, ADV-6670A-B Circuit Board, Typical

Table of Contents

Related product manuals