EasyManua.ls Logo

Kohler PRO 2.0 iS

Kohler PRO 2.0 iS
52 pages
To Next Page IconTo Next Page
To Next Page IconTo Next Page
To Previous Page IconTo Previous Page
To Previous Page IconTo Previous Page
Loading...
KohlerPower.com41 33 590 03
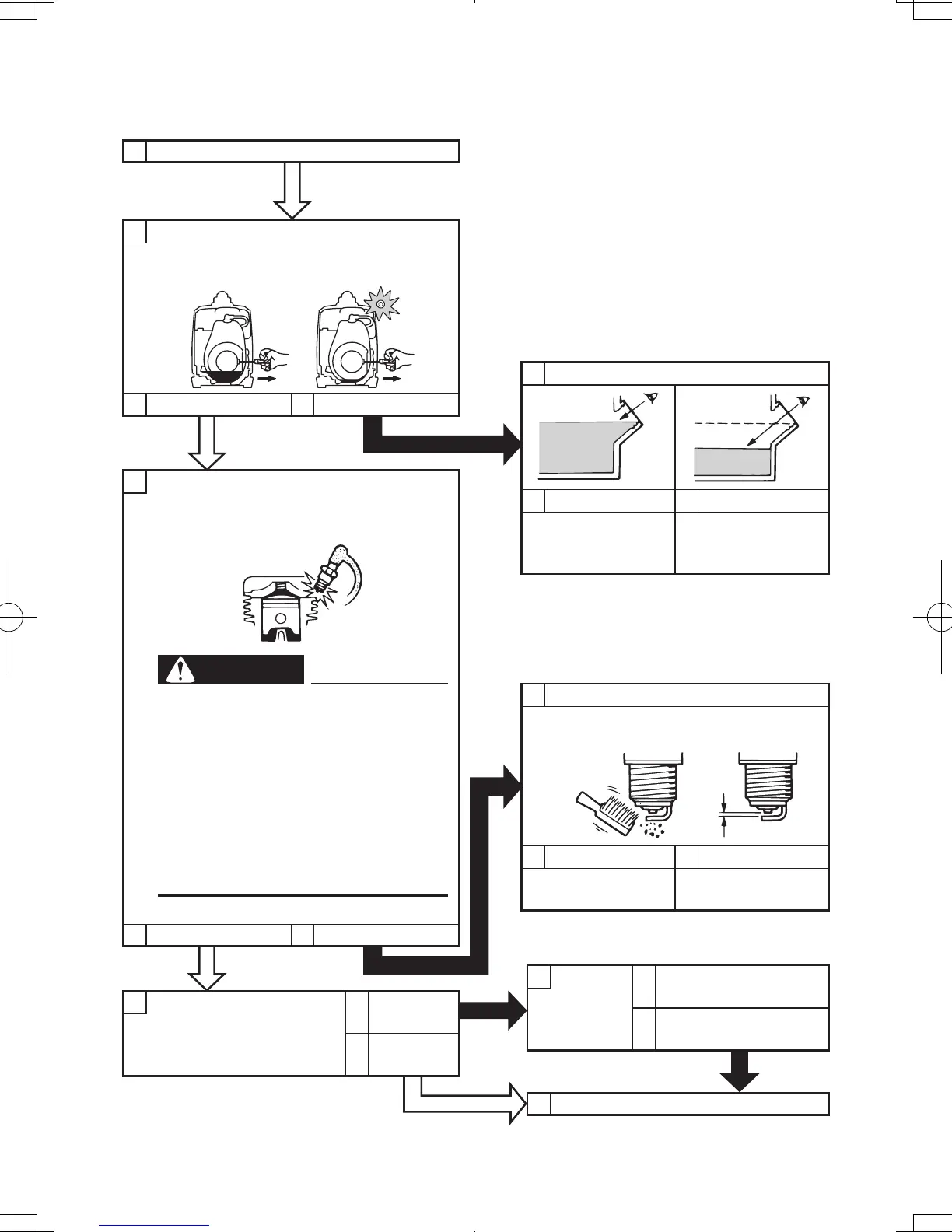
AE00515
A ENGINE DOES NOT START
B
Turn the engine switch to 7 (ON), then
pull the recoil starter and check if the oil
warning light flickers.
C Does not flicker D Flickers
E Check engine oil level.
F OK G Level low
Consult a
Kohler portable
dealer.
Add engine oil.
K Check the spark plug.
9 Type: 33 132 02-S
9 Gap: 0.6–0.7 mm (0.024–0.028 in)
L Incorrect M OK
Replace or
adjust gap.
Clean the spark
plug.
N
Check the following.
9 Fuel line clogging
9 Air filter element
clogging.
O Clogged
P OK
Q
Clean
or
replace.
R OK
S Engine does not start.
H
Pull the recoil starter and check the
spark plug for spark strength.
(See “WARNING”)
WA R N I N G
9 To prevent FIRE HAZARDS be
sure fuel is not present in the
spark plug area.
9 To prevent FIRE HAZARDS be
sure to place the spark plug as far
away as possible from the spark
plug hole and carburetor area.
9 To prevent ELECTRIC SHOCK do
not hold spark plug lead with
hand while testing.
I OK J Does not spark
T Consult a Kohler portable dealer.
7PB-F8199-L2.indd 41 2014/01/08 17:07:41

Related product manuals