EasyManua.ls Logo

Koldwave K6HK144BBA2ACA0 - Electrical Wiring Diagrams; Circuit Diagram for Model K6 HK144 BBA2 ACA0

Koldwave K6HK144BBA2ACA0
20 pages
Print Icon
To Next Page IconTo Next Page
To Next Page IconTo Next Page
To Previous Page IconTo Previous Page
To Previous Page IconTo Previous Page
Loading...
14 15
Owners Manual
K6HK144BBA2ACA0 / K6HK144BEA2ACA0
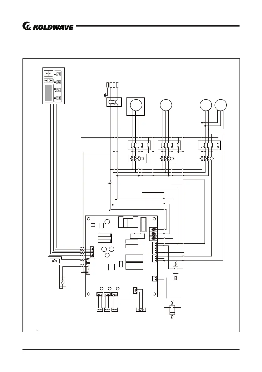
Wiring Diagram
WPC-36000 CP1.3
※USE COPPER SUPPLY WIRES
Emergency Switch
MCCB
Power
3P AC 220V-60Hz
E
R
S
T
T (AC) S
CP
PU
HT
EXT
COM
EMC
L
H
TH1
TH1
OUT_TEMP
SENSOR
SEN1
SEN2
SEN3
TH2
TH2
TH3
TH3
IN_TEMP
SENSOR
ICE_TEMP
SENSOR
MC 1 OCR 1
R
T
COMP'
FND
PS (HP)
COM
COM
EXT
FU
FT
CO
COM
R-2A
COM
L
H
COM
CP
T-1
S-1
COM
CO
(FUSE)
(FUSE)
HIGH
PRESSURE
SWITCH
E
PBS
R
S
T
R
S
T
R-2
S-2
T-2
S
S-2A
T-2A
MC 2 OCR 2
R-3
S-3
T-3
R
T
COND'
MOTOR
S
R-3A
S-3A
T-3A
MC 3 OCR 3
R-4A
S-4A
T-4A
R
T
S
No.1
E VA '
MOTOR
T
CP
CP
COM
H
COM
CO
COM
R
S
T
HP
R
T
S
No.2
E VA '
MOTOR
LOW
PRESSURE
SWITCH
IR/FT
LP
LP
PU
R
R-1
S
R
R-4
S-4
T-4
Power Remote
Control (Option)
EXT
COM
PU
COM
Solenoid
Valve
(Pump Down)
HG
HG
Solenoid
Valve
(Hot Gas
Bypas)
HG
HG
HOT GAS
POWER BLOWER COOL TIMER
SPOT/COOL
ALARM
CURRENT
TEMP/HUMID
TARGET
TEMP/HUMID
Figure 14 - Circuit Wiring Diagram (K6HK144BBA2ACA0)

Related product manuals