EasyManua.ls Logo

Konami Concerto Upright - Page 28

Konami Concerto Upright
68 pages
Print Icon
To Next Page IconTo Next Page
To Next Page IconTo Next Page
To Previous Page IconTo Previous Page
To Previous Page IconTo Previous Page
Loading...
SECTION 3 - PARTS, ASSEMBLIES & HARDWARE
1-3-12
3-12
© 2018 Konami Gaming Inc. P/N 810237
CONCERTO UPRIGHT
(Original Instructions)
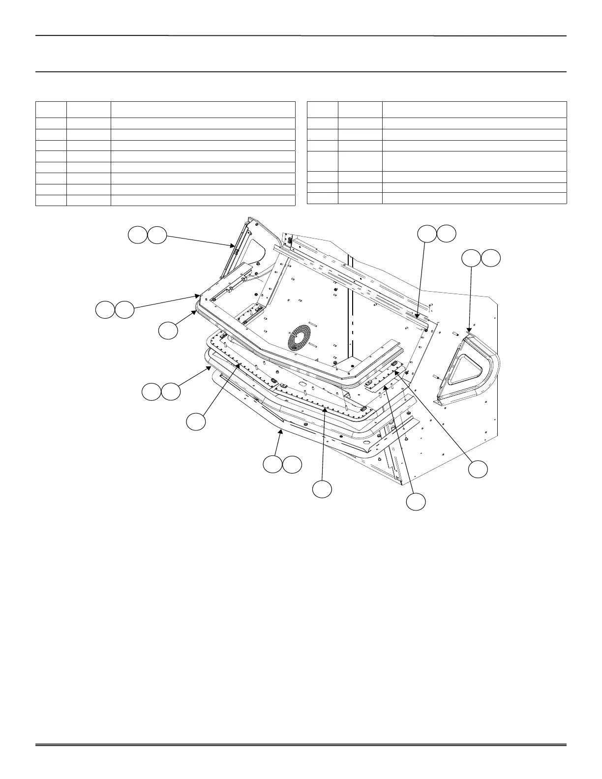
ITEM PART # DESCRIPTION
21. 192800 BRKT, LIP, CTR
23. 192818 BRKT, LIP, DECK
30. 192906 CVR, TRIM, BTM
43. 310592 ASSY, DIFF, DECK
51. 331268 ASSY, ELP, ELBOW, RH
52. 331269 ASSY, ELP, ELBOW, LH
59. 410605 INSUL, SIDE, DECK (2)
68. 410740 TRIM, ELP, BOTTOM
ITEM PART # DESCRIPTION
70. 450016 NUT, HEX KEP, 8-32 (118)
75. 450115 SCREW, SEMS, PH PHIL, 8-32 X 1/4 (16)
76. 450117 SCREW, SEMS, PH PHIL, 8-32 X 3/8 (4)
98. 450618
SCREW, FLAT HD PHIL W/ UNDERCUT,
8-32 X 5/16, BLK OXD (16)
105. 530582 PCB, PODIUM2, LED, PDM2-TOP1 (2)
106. 530583 PCB, PODIUM2, LED, PDM2-TOP2 (2)
110. 530592 PCB, PODIUM2, LED, PDM2-DECK (2)
P/n 331259 assy, cab, Main (Fig. 3 oF 6)
21
75
23 70
68
98
30
43
59
110
51
76
105
106
70
52
76

Table of Contents

Related product manuals