EasyManua.ls Logo

KoolMore CIM198 - Wiring Diagram; Normal Sounds

KoolMore CIM198
21 pages
Print Icon
To Next Page IconTo Next Page
To Next Page IconTo Next Page
To Previous Page IconTo Previous Page
To Previous Page IconTo Previous Page
Loading...
Normal Sounds
Your new ice maker may make sounds that are not familiar to you. Most of the new sounds are normal.
Hard surfaces like the floor, walls and cabinets can make the sounds seem louder than they actually
are. The following describes the kinds of sounds that might be new to you and what may be making
them.
You will hear a swooshing sound when the water valve opens to fill the water tank for each cycle.
Rattling noises may come from the flow of the refrigerant or the water l
ine. Items stored on
top of
the ice maker can also make noises.
The high-efficiency compressor may make a pulsating or high-pitched sound.
Water running from the water tank to the evaporator plate may make a splashing sound.
Water running from the evaporator to the water tank may make a splashing sound.
As each cycle ends, you may hear a gurgling sound due to the refrigerant flowing in your icemaker.
You may hear air being forced over the condenser by the condenser fan. Dur
ing the harvest cycle,
you m
ay hear the sound of ice cubes falling into the ice storage bin.
When you first start the ice maker, you may hear water running continuously. The ice maker is
programmed to run a rinse cycle before it begins to make ice.
W
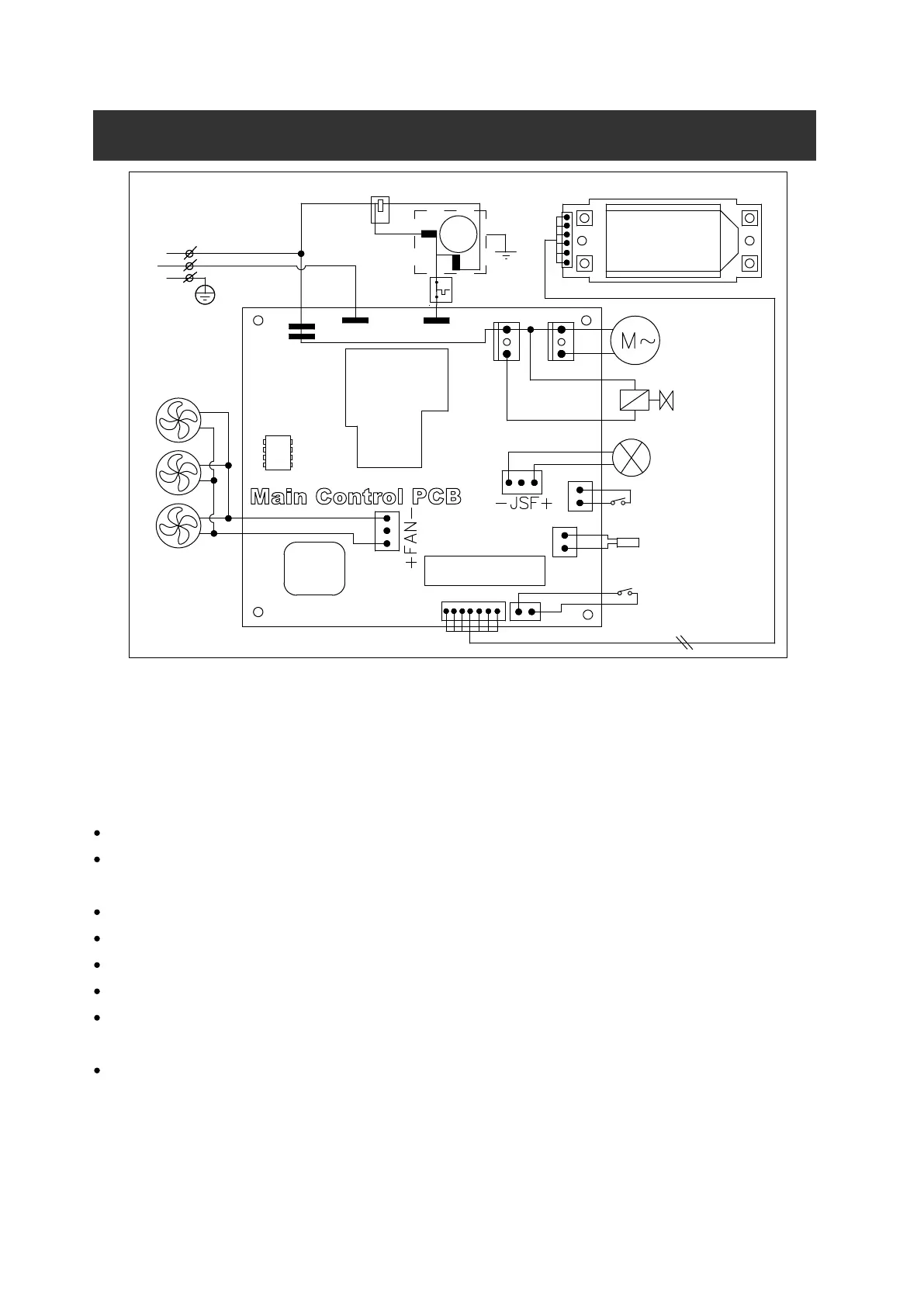
IRING DIAGRAM
MCU
T1
Relay
PUMP
COMP
AC-L
N
Power
Supply
L
G
AC-N
Solenoid Vale for
Ice-harvest
6C
Main Control PCB
T1
DC Water Inlet Valve
RT
WATER
ICE
AC Water Pump
VALVE
ELECTRICAL DIAGRAM
DC Fan Motor
Start Relay
COMPRESSOR
SENSOR FOR ICE
FULL DETECTING
SENSOR FOR
AMBIENT TEMP
WATER LEVEL
DETECTING SWITCH
L CD
N
L
G
M
~
AW
MW
Overload
Protector
13

Related product manuals