EasyManua.ls Logo

Krone Big Pack 1290 - Intended Use

Krone Big Pack 1290
612 pages
Print Icon
To Next Page IconTo Next Page
To Next Page IconTo Next Page
To Previous Page IconTo Previous Page
To Previous Page IconTo Previous Page
Loading...
Appendix
415
Pos: 190 /Übersc hriften/Überschrif ten 2/A-E/A Arbeitshydrauli k für Komfort-El ektronik @ 2 80\mod_1405 574137485_78.doc x @ 2155721 @ 2 @ 1
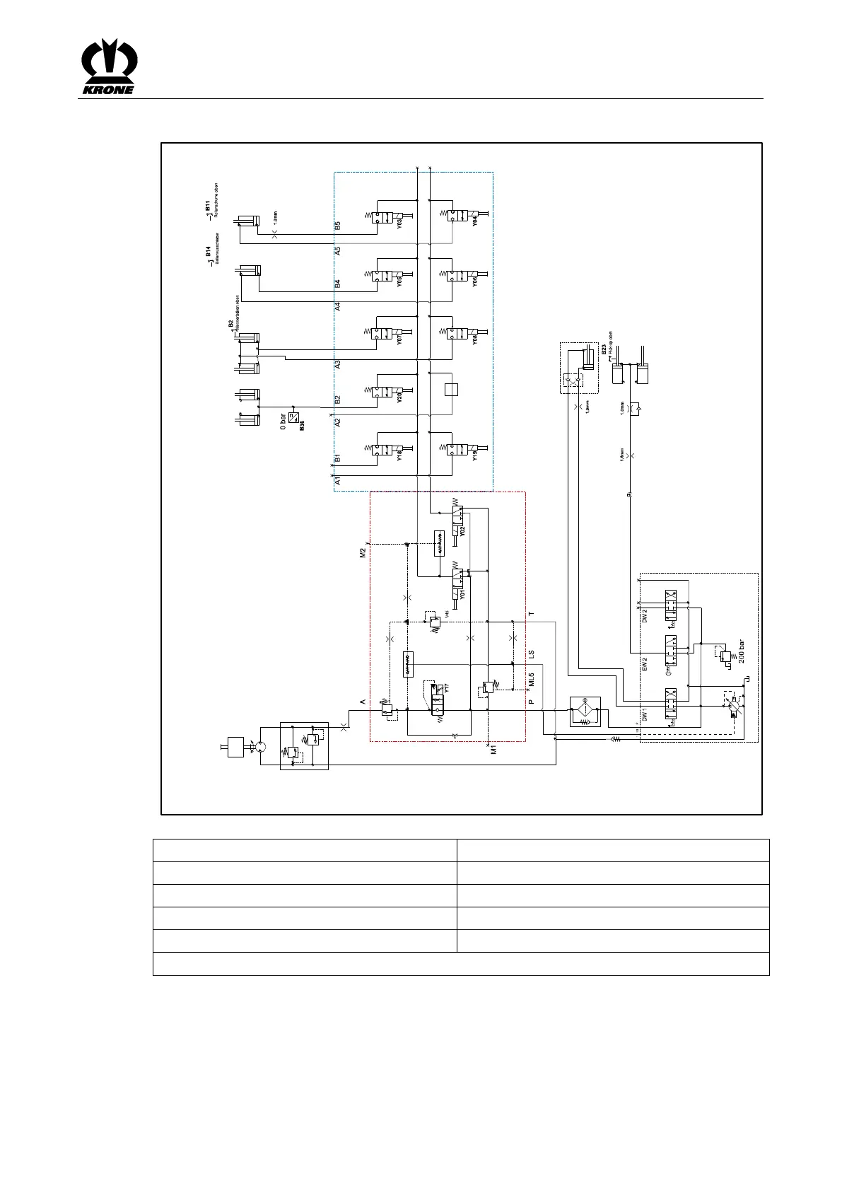
31.5 Work Hydraulics Comfort Version Electronics
Pos: 191 /BA/An hang/Großpacke npresse/Arbeits hydraulik für K omfort-Ele ktronik HS Baur eihe Bild @ 4 46\mod_146095 9778016_78.doc x @ 3041991 @ @ 1
1)
2)
3)
8)
4)
5)
6)
7)
9)
11)
10)
201 409 09
Fig.
280
Pos: 192 /BA/An hang/Großpacke npresse/Arbeits hydraulik für K omfort-Ele ktronik HS Baur eihe Legende @ 3 68\mod_14 41703424826_78. docx @ 270 1253 @ @ 1
1. Starting aid
2. Main gearbox flywheel
3. Comfort valve block
4. Locking the steering axle
5. Raising/lowering the blade bar
6. Move bale ejector in/out
7. Raising/lowering the bale chute
8. Raising/lowering the support jack
9. Raising/lowering the pick-up
10. Tractor hydraulics
11. Unscrew the system screw fully for constant flow. Turn Power Beyond (LS) all the way in.
Pos: 193 /Layou t Module /---------------Seitenumbruch---------------- @ 0\mod_11961753 11226_0.docx @ 4165 @ @ 1

Table of Contents

Other manuals for Krone Big Pack 1290

Related product manuals