EasyManua.ls Logo

Krone Comprima V 150 - Page 389

Krone Comprima V 150
430 pages
Print Icon
To Next Page IconTo Next Page
To Next Page IconTo Next Page
To Previous Page IconTo Previous Page
To Previous Page IconTo Previous Page
Loading...
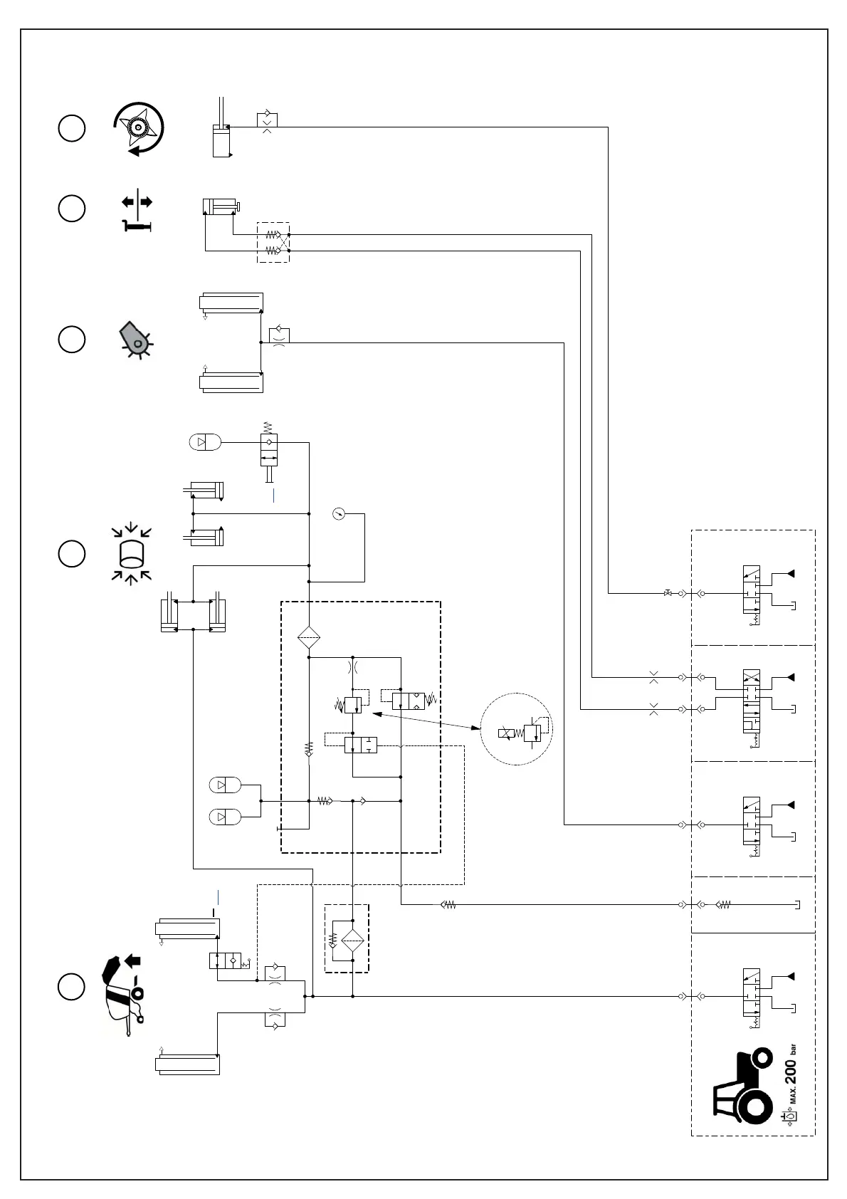
150 102 247 00
Comprima V 150, V 180
1
3
4
T
P
50 - 180 bar
ST
A
MS
1V1
S
F
R
F
R
1V1
Q30
6+

5+5-

3+

1+
T
1
2

Table of Contents

Other manuals for Krone Comprima V 150

Related product manuals