EasyManua.ls Logo

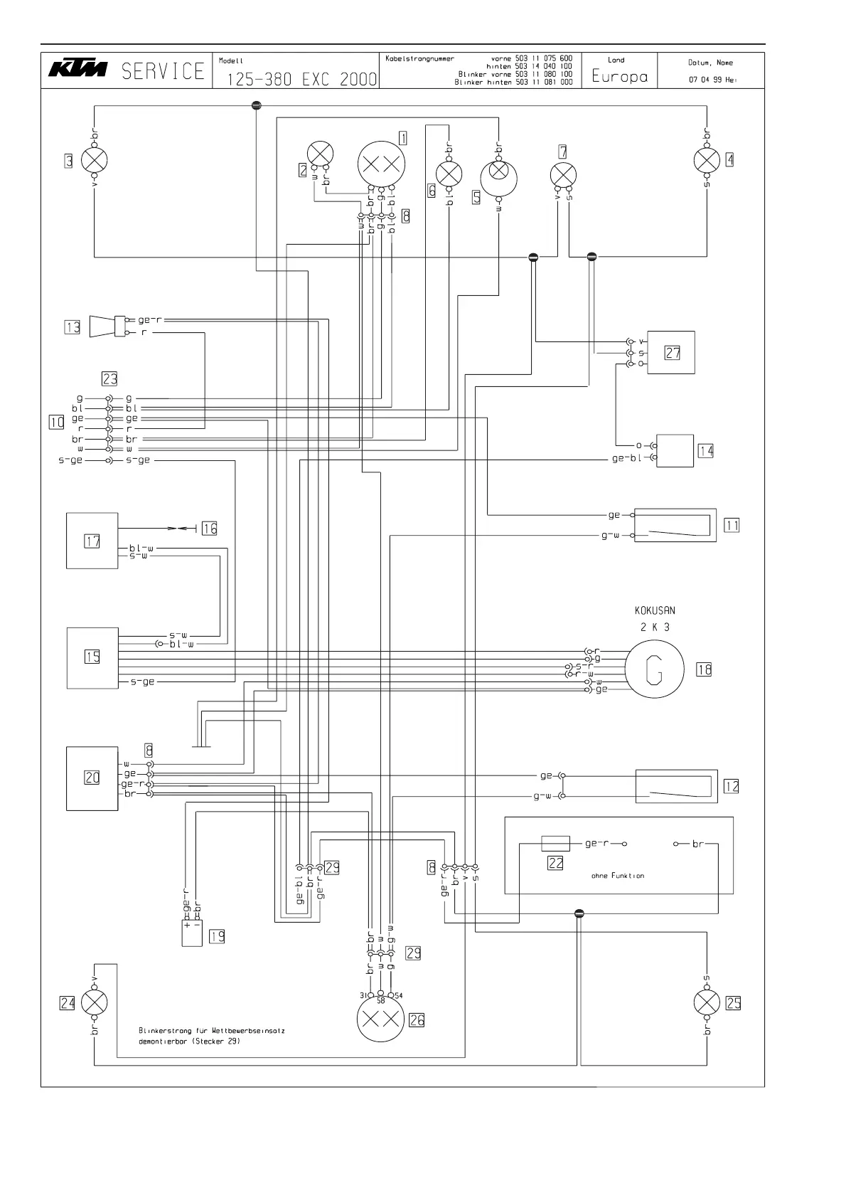
KTM EXC - 125-380 EXC 2000 Wiring Diagram

KTM EXC
153 pages
Print Icon
To Next Page IconTo Next Page
To Next Page IconTo Next Page
To Previous Page IconTo Previous Page
To Previous Page IconTo Previous Page
Loading...
11-7C
SPORTMOTORCYCLES

Table of Contents

Related product manuals