EasyManua.ls Logo

Kyongbo Electronics GDR-C01 - Protection Characteristics; OverVoltage Function

Kyongbo Electronics GDR-C01
47 pages
Print Icon
To Next Page IconTo Next Page
To Next Page IconTo Next Page
To Previous Page IconTo Previous Page
To Previous Page IconTo Previous Page
Loading...
Digital OverVoltage Relay (GDR-C01) User's Manual V1.00
16 / 47
Kyongbo Electronics Co., Ltd.
3. Protection Characteristics
3.1 OverVoltage Function
This relay contains the Inverse Time characteristic and Definite Time characteristic
to be used for OverVoltage protection.
The inverse time characteristic is a function between the voltage and the time, and
the operation time is shorter as the voltage is bigger.
The time and voltage relationship function is as follows.


×

sec
T = Operation Time
V = Relay input voltage / Relay operation setting value
M = Operation time ratio
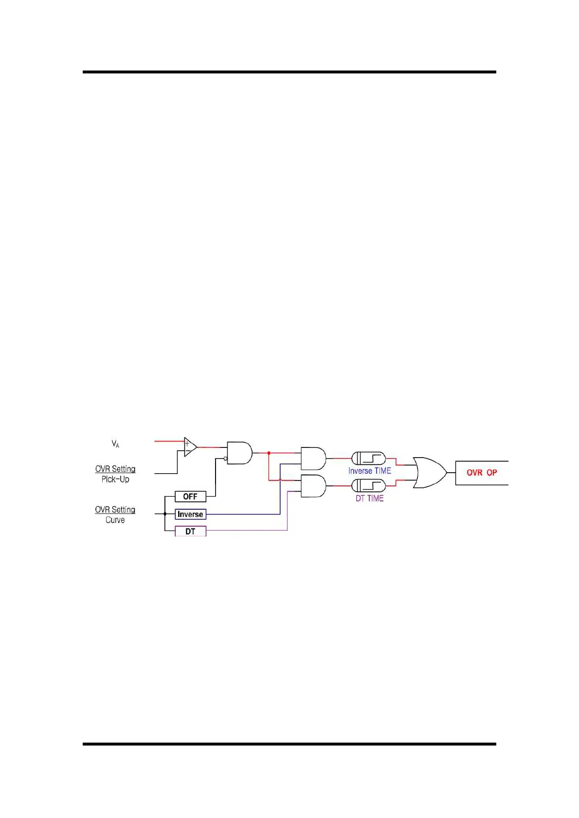
Logic Diagram for OverVoltage element operation is as follows.
Figure 3.1 OVR Logic Diagram

Related product manuals