EasyManua.ls Logo

Lamborghini Caloreclima EM 3-E - Posizione Elettrodi

Lamborghini Caloreclima EM 3-E
Print Icon
To Next Page IconTo Next Page
To Next Page IconTo Next Page
To Previous Page IconTo Previous Page
To Previous Page IconTo Previous Page
Loading...
14
IT
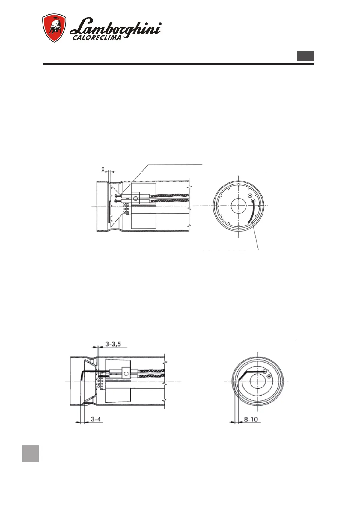
POSIZIONE ELETTRODI
M
È opportuno vericare la corretta posizione dopo ogni intervento sulla testa di combustione.
Per posizionarli osservare la gura riportata sotto, rispettandone le indicazioni.
ATTENZIONE: gli elettrodi di accensione e di controllo non debbono per alcun motivo
toccare il deettore, il boccaglio o altre parti metalliche. In caso contrario perderebbero
la loro funzione, compromettendo il funzionamento del bruciatore.
Elettrodo di controllo
EM 3 -E EM 6 - E
EM 9 -E
Elettrodo di accensione

Table of Contents

Related product manuals