EasyManua.ls Logo

Lamborghini Caloreclima EM 3-E - Electrodes Adjustment; Electrode Positioning and Warnings

Lamborghini Caloreclima EM 3-E
Print Icon
To Next Page IconTo Next Page
To Next Page IconTo Next Page
To Previous Page IconTo Previous Page
To Previous Page IconTo Previous Page
Loading...
37
UK
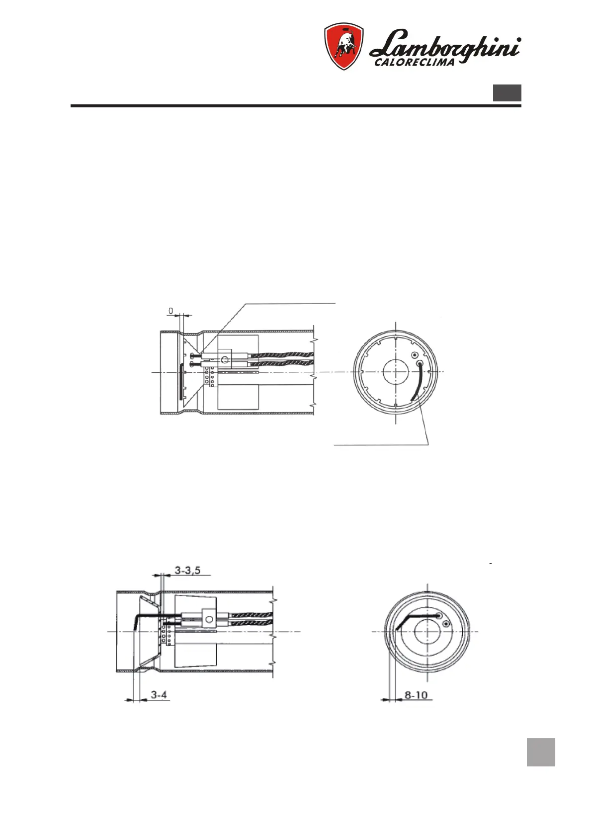
ELECTRODES ADJUSTMENT
An ignition electrode and a control electrode are tted on JM 9/2 burner.They should be posi-
tioned according to the indications supplied in the gure below.I
MPORTANT: the ignition electrodes and the control electrode must never touch the dif-
fuser, the draught tube or other metallic parts. If this were to happen they would no
longer work, thus impairing operation of the burner itself.
The position of the electrodes should always be checked after any work on the combustion
head.
M
Control electrode
EM 3 -E EM 6 - E
EM 9 -E
Ignition electrode

Table of Contents

Related product manuals