EasyManua.ls Logo

Lampo IP66 LED - Schematic Menu

Lampo IP66 LED
18 pages
Print Icon
To Next Page IconTo Next Page
To Next Page IconTo Next Page
To Previous Page IconTo Previous Page
To Previous Page IconTo Previous Page
Loading...
6
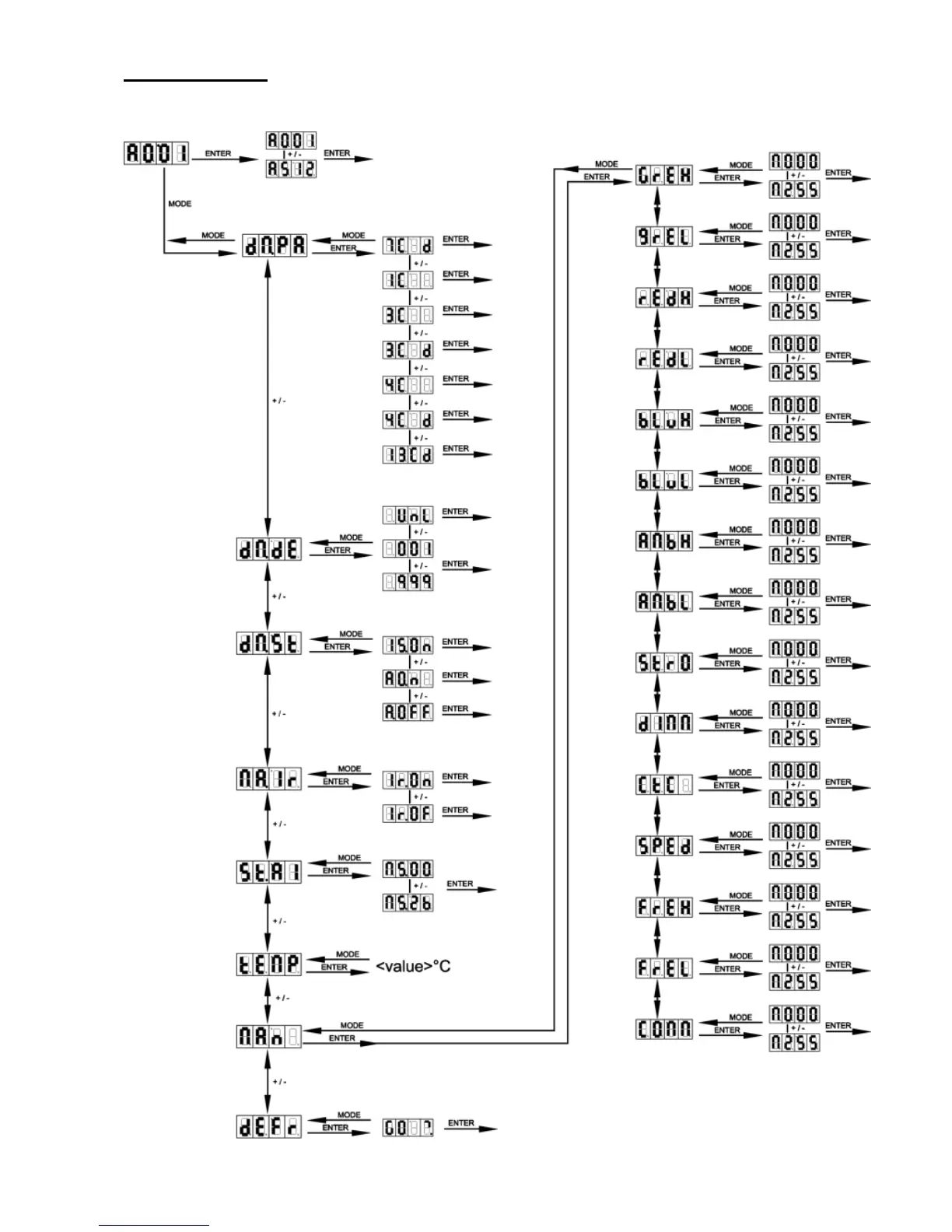
Schematic menu
Following the list of menu and submenu.

Related product manuals