EasyManua.ls Logo

Lang DO36 - Deck Oven Wiring Series

Default Icon
24 pages
Print Icon
To Next Page IconTo Next Page
To Next Page IconTo Next Page
To Previous Page IconTo Previous Page
To Previous Page IconTo Previous Page
Loading...
1
2
3
4
5
6
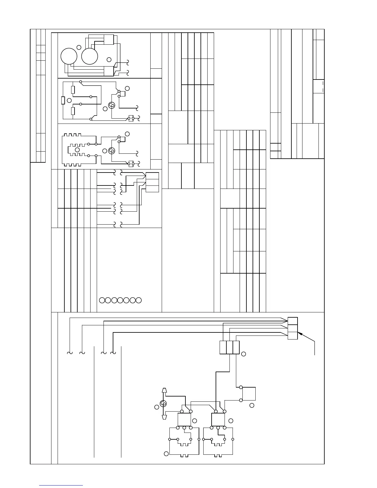
HEAT ELEMENT
THERMOSTAT
3 HEAT SWITCH
PILOT LAMP
CIRCUIT BREAKER
SPEED UNITS
MODEL DESIGNATION
TOP ARRANGEMENT
SEC-1
A
B
B
A
C
SEC-2
A
B
B
A
C
SEC-3
C
B
C
A
C
TOP SECTION WIRE DIAGRAMS
A B C
GRILL HOT TOP SPEED UNITS
36S-0
36S-2
36S-3A
36S-10
36S-20
2
1
4
1667
1667
1667
4
1
3
2
7
1
2
3
4
1
2
4
3
6
2 1 3 4 2 1 3 4
4
2
1
POWER
SUPPLY
PHASE
THREE
CONNECT TO
RANGE TOP
ELECTRICAL CONNECTIONS
1st DECK 2nd DECK 3rd DECK
UPPER OVENS CONNECT TO
L1
L2
L3 2-4-6
1-5
3 1
2
- 2
-
1
2
1
-
CONNECT WIRES FROM RANGE
TOP TO OVEN CIRCUIT
BREAKER. CONNECT WIRES
FROM ADDITIONAL DECKS
ELECTRICAL DATA
NUMBER
MODEL
LOADING
KW PER PHASE
TOTAL
KW
36S RANGE
LA-236S "
LA-336S "
LA-136 OVEN
6.0
6.0
6.0
6.0
10.0
0.0
0.0
6.0
5.0
0.0
6.0
6.0
21.0
6.0
12.0
18.0
L1 L2 L2 L3 L3 L1
AMPS
480 VOLT
19.9
12.5
21.7
21.7
L1
21.7
12.5
12.5
28.9
L2
21.7
12.5
0.0
27.1
L3
L1 L2 L3
4
3
3
2
L2
L3
C
2
1 L1
L2
1
2
L1
C
L2
5
TERMINAL BLOCK
1ST DECK
1
OVEN WIRING
2ND DECK
3RD DECK
2ND AND 3RD DECK
WIRING IDENTICAL
TO 1ST DECK
USE ON ALL E SERIAL NUMBERS
2000
3000
L1
6 HEAT SWITCH
7
L2
L1
L3
1 2 3 4 5 6
OVEN 3 POLE
CIRCUIT
BREAKER
TO BREAKER TO BREAKER TO BREAKER
TO LOWER OVEN TERMINAL
BLOCK
2
3
1
3
2
1
DRAWING NUMBER REV
OF
SHEET
± 1/64
ANGLES
± .5°
.X ± .05
.XX ± .03
TITLE:
CK:
TOLERANCES
SCALE:
DR: SRC
FRACTIONS DECIMALS
UNLESS OTHERWISE SPECIFIED
DIMENSIONS ARE IN INCHES
LANG MANUFACTURING
.XXX ± .015
DATE:
DATE:
NEXT HIGHER ASSY.
CREATED BY STUART R. CARTIER
PART NUMBERQTY ITEM DESCRIPTION / MATERIAL
REVISION BLOCK
ECN NO.REV DESCRIPTION DR: DATEMFG ENG
NONE
BOTTOM DECK TERMINAL BLOCK
BREAKER
OVEN CIRCUIT
1C
1B
1A2
7
3
8A
8B
8C
4A
8A
8B
8C
4A
5B 5A
66
2M-61106-10
LA36 OVEN / 36S RANGE
480 VAC
D
2-1-94

Related product manuals