EasyManua.ls Logo

Laser Reference pro shot L1-M - Page 28

Default Icon
41 pages
Print Icon
To Next Page IconTo Next Page
To Next Page IconTo Next Page
To Previous Page IconTo Previous Page
To Previous Page IconTo Previous Page
Loading...
25
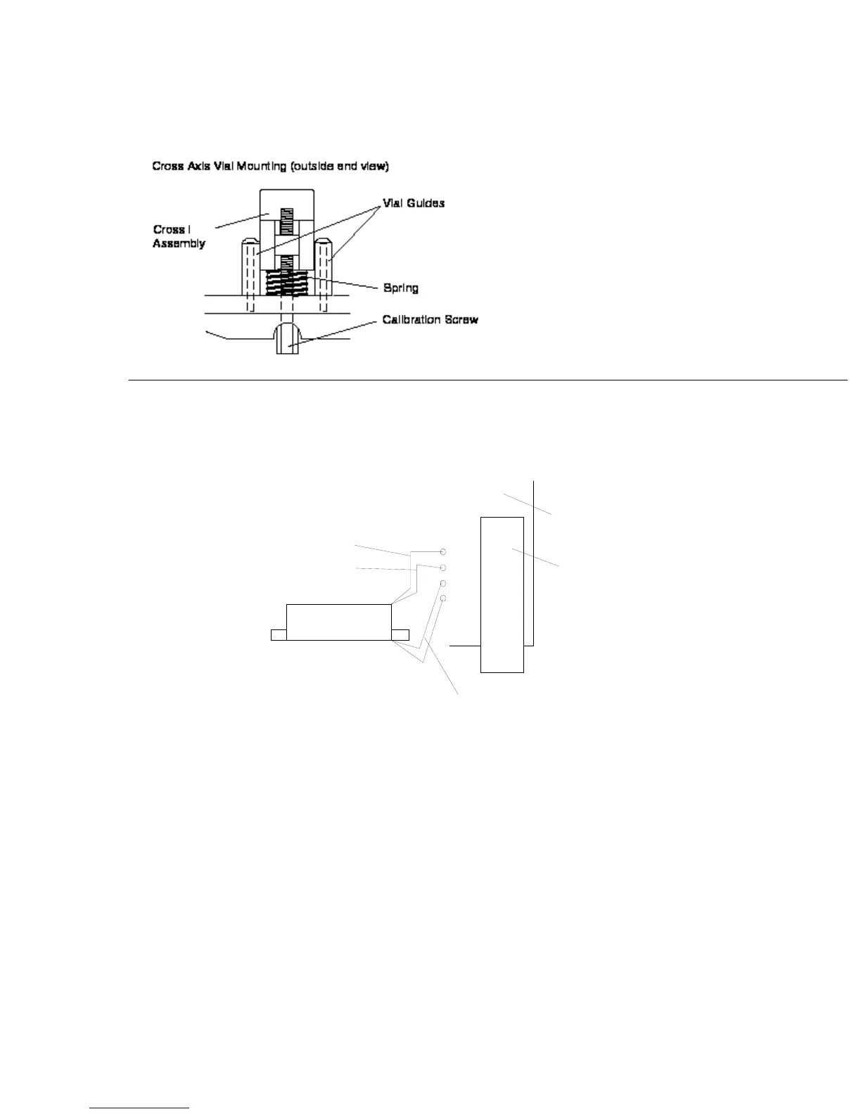
FIG. 7
Cross Sensor Mounting
FIG. 8 Cross Sensor Wiring
Cross Sensor
P. C. B .
Mount
Leads solder in from back or P.C.B.
Rear Lead
Front Lead
Black Marked Wire
A. Removal
1. Remove base plate assembly (refer to procedure #103).
2. Remove sensor leads from the circuit board (leads are soldered).
3. Using a Phillips driver, loosen the sensor guide screws.
4. Using a 1/4" socket driver, remove the x-axis calibration screw.
5. Using a broad tipped Phillips driver, remove the screw at pivot end of
sensor.
6. Lift the sensor off of the instrument plate. Note: pivot bearings are
under the sensor.
B. Replacement
1. Solder the sensor wires into the circuit board (refer to drawings above).
2. Place the sensor on the instrument plate.