EasyManua.ls Logo

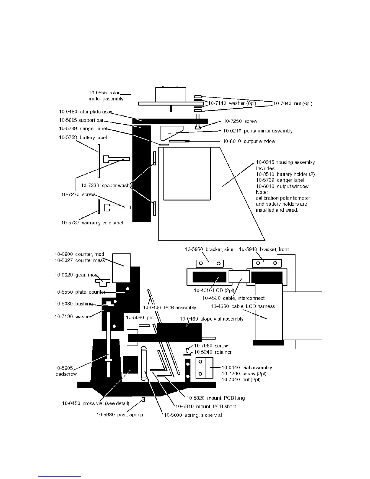
Laser Reference pro shot L1-M - Internal Parts Detail Model L1-M

Default Icon
41 pages
Print Icon
To Next Page IconTo Next Page
To Next Page IconTo Next Page
To Previous Page IconTo Previous Page
To Previous Page IconTo Previous Page
Loading...
5
Internal Parts Detail Model L1-M
Fig. 2
10-0495 LCD
assembly