EasyManua.ls Logo

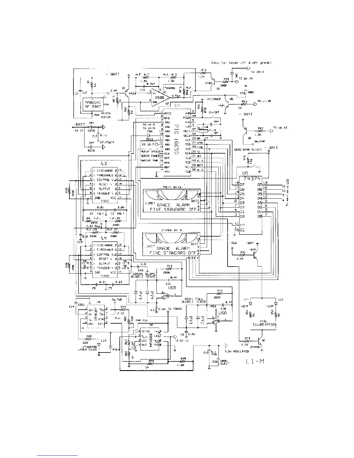
Laser Reference pro shot L1-M - Schematic for L1-M; S

Default Icon
41 pages
Print Icon
To Next Page IconTo Next Page
To Next Page IconTo Next Page
To Previous Page IconTo Previous Page
To Previous Page IconTo Previous Page
Loading...
36
Schematic for L1-M / S