EasyManua.ls Logo

Laspaziale Mini Vivaldi - Control Panel Connection Diagram; Wiring Diagram Definitions

Laspaziale Mini Vivaldi
32 pages
Print Icon
To Next Page IconTo Next Page
To Next Page IconTo Next Page
To Previous Page IconTo Previous Page
To Previous Page IconTo Previous Page
Loading...
Page 21
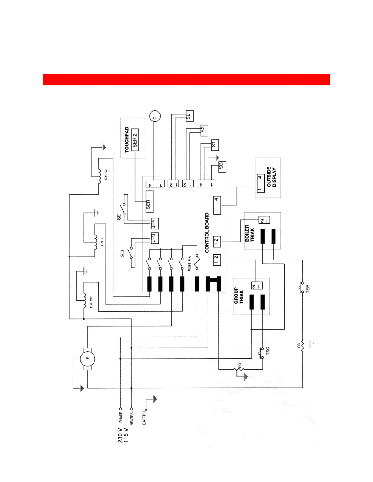
6 Connection Diagrams
6.1 Electrical Connection Diagram

Related product manuals