EasyManua.ls Logo

Laspaziale S21 - Hydraulic Scheme; Hydraulic Diagram

Laspaziale S21
33 pages
Print Icon
To Next Page IconTo Next Page
To Next Page IconTo Next Page
To Previous Page IconTo Previous Page
To Previous Page IconTo Previous Page
Loading...
22
EN 00 LSI 026 08-
2022
7
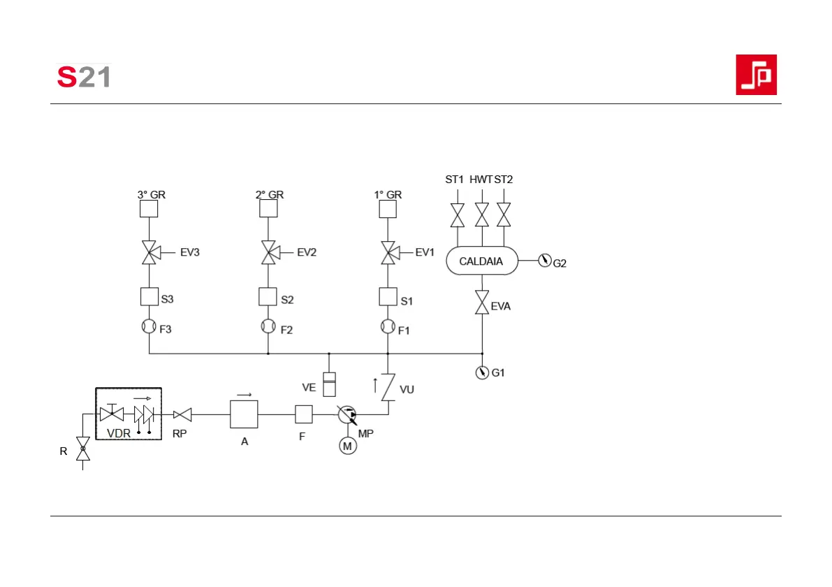
HYDRAULIC SCHEME
LEGEND:
R = WATER MAINS TAP
VDR = DOUBLE CHECK VALVE
A = WATER TREATMENT SYSTEM (OPT.)
F =
WATER FILTER (OPTIONAL)
MP = MOTOPUMP
VU = CHECK VALVE
VE = EXPANSION VALVE
G1 = WATER MAINS/PUMP PRESSURE
GAUGE
EVA = SELF-LEVEL SOLENOID
VALVE G2 = BOILER PRESSURE GAUGE
F1 = VOLUMETRIC METER 1ST GR
F2 =
VOLUMETRIC METER 2ND GR
F3 =
VOLUMETRIC METER 3RD GR S1 =
HEAT EXCHANGER 1ST GR S2 = HEAT
EXCHANGER 2ND GR S3 = HEAT
EXCHANGER 3RD GR EV1 = SOLENOID
VALVE 1ST GR COFFEE EV2 =
SOLENOID VALVE 2ND GR COFFEE EV3
= SOLENOID VALVE 3RD GR COFFEE
ST1 = STEAM TAP LEFT
ST2 = RIGHT STEAM TAP
HWT =
HOT WATER TAP

Related product manuals