EasyManua.ls Logo

Lauda Hydro H 16 A - Circuit Diagram

Default Icon
34 pages
Print Icon
To Next Page IconTo Next Page
To Next Page IconTo Next Page
To Previous Page IconTo Previous Page
To Previous Page IconTo Previous Page
Loading...
26 / 34 Hydro Water Baths 09/2020
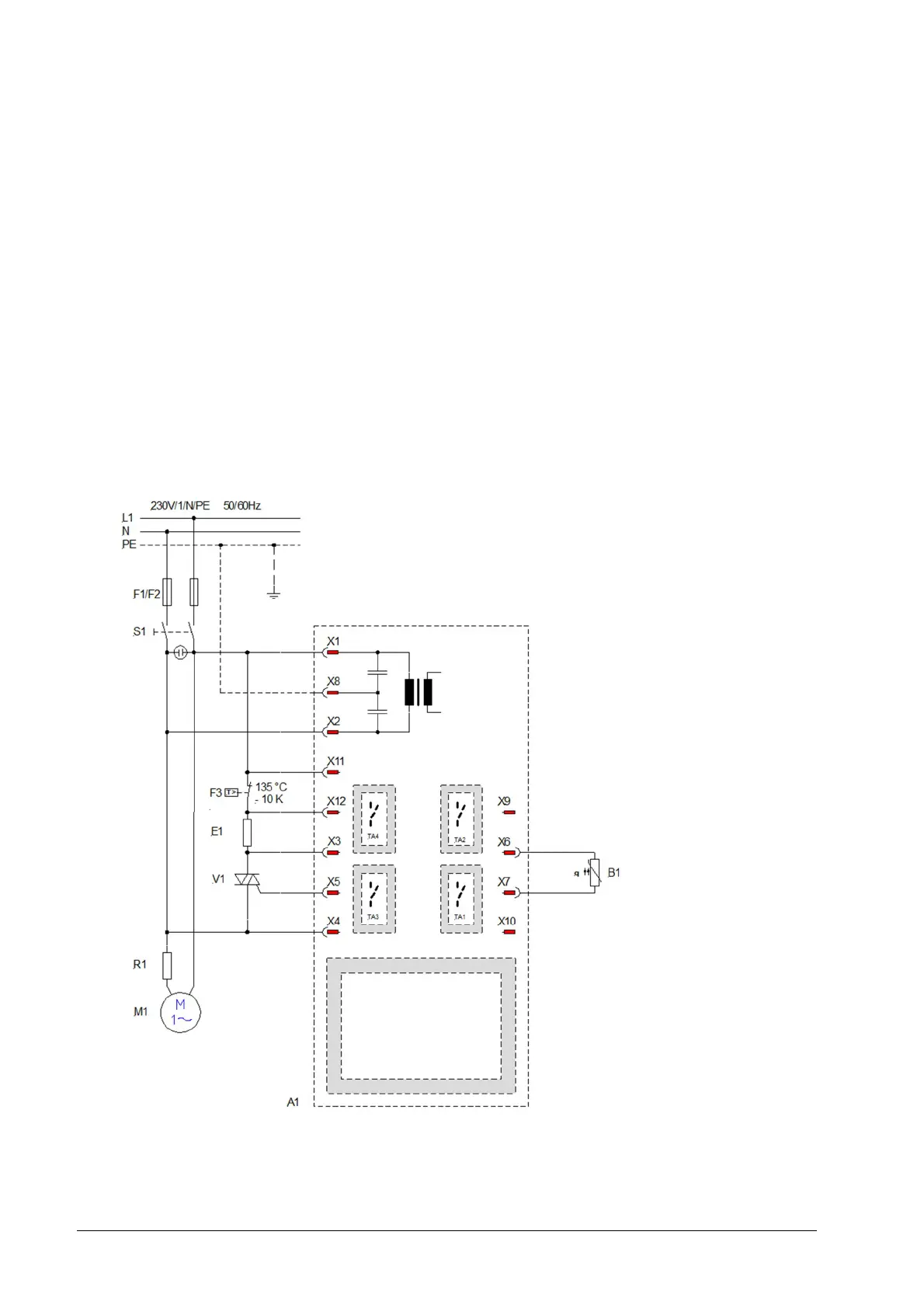
13 Circuit diagram
A1 Electronic temperature regulator
B1 Temperature sensor
E1 Heating element
F1 Fuse 8 A T
F2 Fuse 8 A T
F3 Low water cut-off
M1 Stirrer motor (Models H 8 A / H 16 A)
R1 Multiplier M1 (Models H 8 A / H 16 A)
S1 Main switch
TA1 Key , see chapter 8
TA2 Key , see chapter 8
TA3 Key , see chapter 8
TA4 Key , see chapter 8
V1 Triac

Table of Contents

Related product manuals