EasyManua.ls Logo

LAUNCH TECH X-PROG3 - Page 17

LAUNCH TECH X-PROG3
32 pages
Print Icon
To Next Page IconTo Next Page
To Next Page IconTo Next Page
To Previous Page IconTo Previous Page
To Previous Page IconTo Previous Page
Loading...
13
LAUNCH
X-PROG
3
EN
Note:
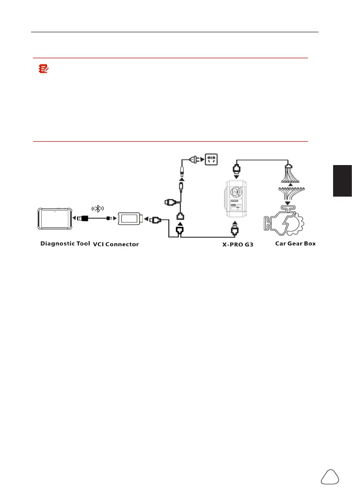
The USB cable shown in below diagram is not included in the packing
list for now, using a USB cable could e󰀨ectively enhance your data
transmission speed.
Certain Vehicle gear boxes are connected based on the real chassis
type, for information how to connect the gear box, refer to the
onscreen connection diagram
.
Operating on Gear Box programming
Below procedure shows you how to perform gear box programming for a BMW
using Launch diagnostic product, the procedure contains Gear Box connection
and Erasure of Gear Box data.
1. Connecting the Gear Box.
a. On the programmer function interface, touch
EGS System
to enter gear
box programming.
www.diagtools.eu, Pernavas 43A, Riga, Latvia, LV-1009, +37129416069, info@diagtools.eu