EasyManua.ls Logo

Lennox CBX32MV-060 - F ECB40-20 CB - 208;230 V Single Phase

Lennox CBX32MV-060
67 pages
Print Icon
To Next Page IconTo Next Page
To Next Page IconTo Next Page
To Previous Page IconTo Previous Page
To Previous Page IconTo Previous Page
Loading...
Page 56
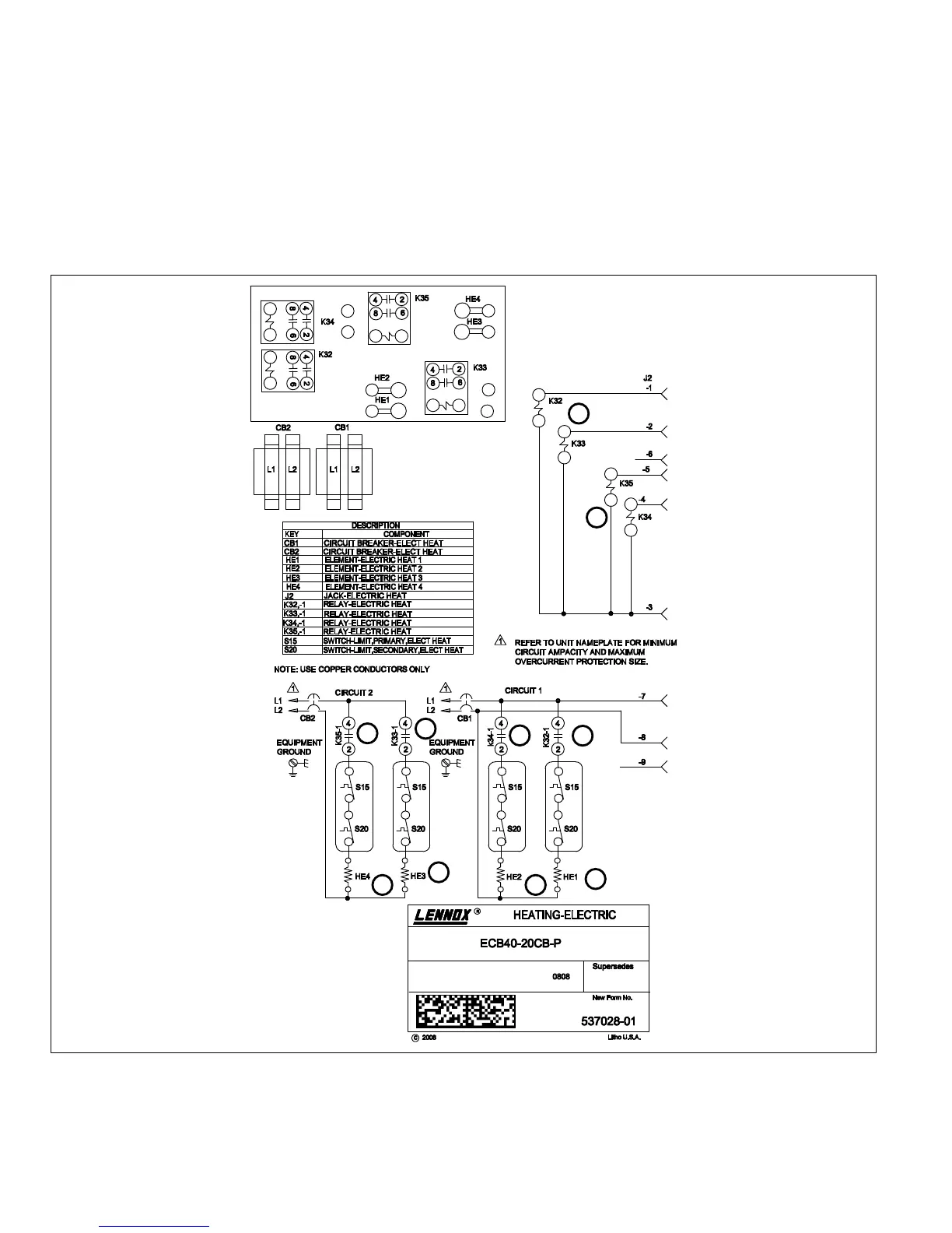
CBX32MV
F ECB40‐20CB - 208/230V Single Phase
FIRST-STAGE HEAT
1. W1 of the thermostat provides a W1 demand to the Control. The Control outputs a 22VDC signal to the K32 and K33 relays.
K32-1 and K33-1 closes.
2. Assuming the N.C. primary (S15) and secondary (S20) limit switches are closed, electric heat elements HE1 and HE3 are
energized.
SECOND-STAGE HEAT (remove jumper between W2 and R)
1. When K32‐1 and K33-1 closes, the unit is ready for a second stage heat demand. W2 of the thermostat provides a W2
demand to the Control. The Control outputs a 22VDC signal to the K34 and K35 relays.
2. When K341 and K35-1 closes, assuming the N.C. primary (S15) and secondary (S20) limit switches are closed, electric
heat elements HE2 and HE4 are energized.
1
3
4
2
2
44
4
1
1

Table of Contents

Other manuals for Lennox CBX32MV-060

Related product manuals