EasyManua.ls Logo

Lennox EIM - Page 14

Lennox EIM
24 pages
Print Icon
To Next Page IconTo Next Page
To Next Page IconTo Next Page
To Previous Page IconTo Previous Page
To Previous Page IconTo Previous Page
Loading...
14
REMOVE JUMPER
BETWEEN R AND
W2 IF PRESENT.
IT MAY CAUSE
ERRONEOUS ALERT
CODE 125.
ICOMFORT SERIES
THERMOSTAT
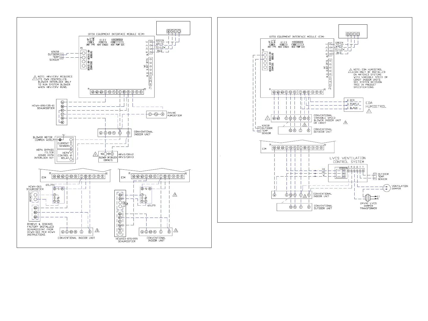
Figure 17. Optional Accessories with Conventional Indoor Unit (HEPA Bypass Filter,
ERV/HRV, 24VAC Humidier and HCWHD3 Humidier)
REMOVE JUMPER BETWEEN R AND W2
IF PRESENT. IT MAY CAUSE
ERRONEOUS ALERT CODE 125.
ICOMFORT SERIES
THERMOSTAT
Y2 OUT
BL
Y2 OUT
BL
Figure 18. Conventional Indoor and Outdoor Units (EDA Humiditrol and LVCS
Ventilation Control System)

Related product manuals