EasyManua.ls Logo

Lennox EL072XASS - Page 25

Lennox EL072XASS
31 pages
Print Icon
To Next Page IconTo Next Page
To Next Page IconTo Next Page
To Previous Page IconTo Previous Page
To Previous Page IconTo Previous Page
Loading...
Page 25
New Form No.
Supersedes
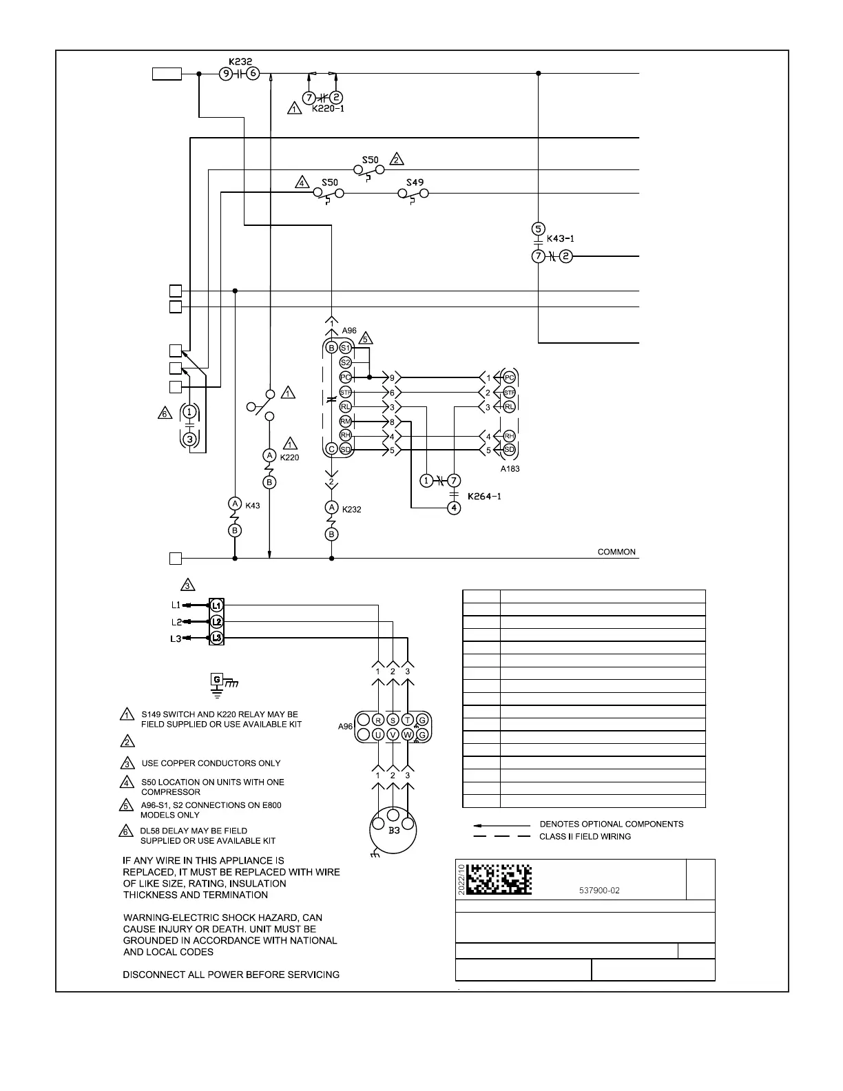
WIRING DIAGRAM
EL072-240XA - Y,G,J WITH VFD ID BLOWER
10/22
BLOWER
SECTION B1 REV. 2
537900-01
537900-02
S50 LOCATION ON UNITS WITH TWO
COMPRESSORS
KEY
COMPONENT
A96
CONTROL, INVERTER
A183
CONTROL, VFD BOARD
J247
P247
J246
P246
TB13
TB1
C
C2
C1
C3
H2
H1
24VAC
R
W1
G
Y3
Y2
Y1
W2
VFD CONTROL (G)
TB1
TB1
S149
H2
P248
J248
J248
P248
J248
P248
DL58
J/P246
JACK/PLUG POWER TO VFD
J/P247
JACK/PLUG VFD TO MTR
J/P248
JACK/PLUG VFD CONTROL
B3
MOTOR-BLOWER
K43,-1
RELAY-ECONOMIZER BLOWER
K220,-1
RELAY-OVERFLOW
K232,-1
RELAY-INVERTER PROTECTION
S49 SWITCH-FREEZESTAT COMPRESSOR 1
S50 SWITCH-FREEZESTAT COMPRESSOR 2
S149 SWITCH-OVERFLOW
TB1
TERMINAL STRIP, CLASS II VOLTAGE
TB13
TERMINAL BLOCK, POWER DISTRIBUTOR
K264,-1
RELAY-A96 SIGNAL SWITCHING
DL58
DELAY, ADJUSTABLE, ON MAKE
FIGURE 7

Related product manuals