EasyManua.ls Logo

Lennox EL072XASS - Page 26

Lennox EL072XASS
31 pages
Print Icon
To Next Page IconTo Next Page
To Next Page IconTo Next Page
To Previous Page IconTo Previous Page
To Previous Page IconTo Previous Page
Loading...
Page 26
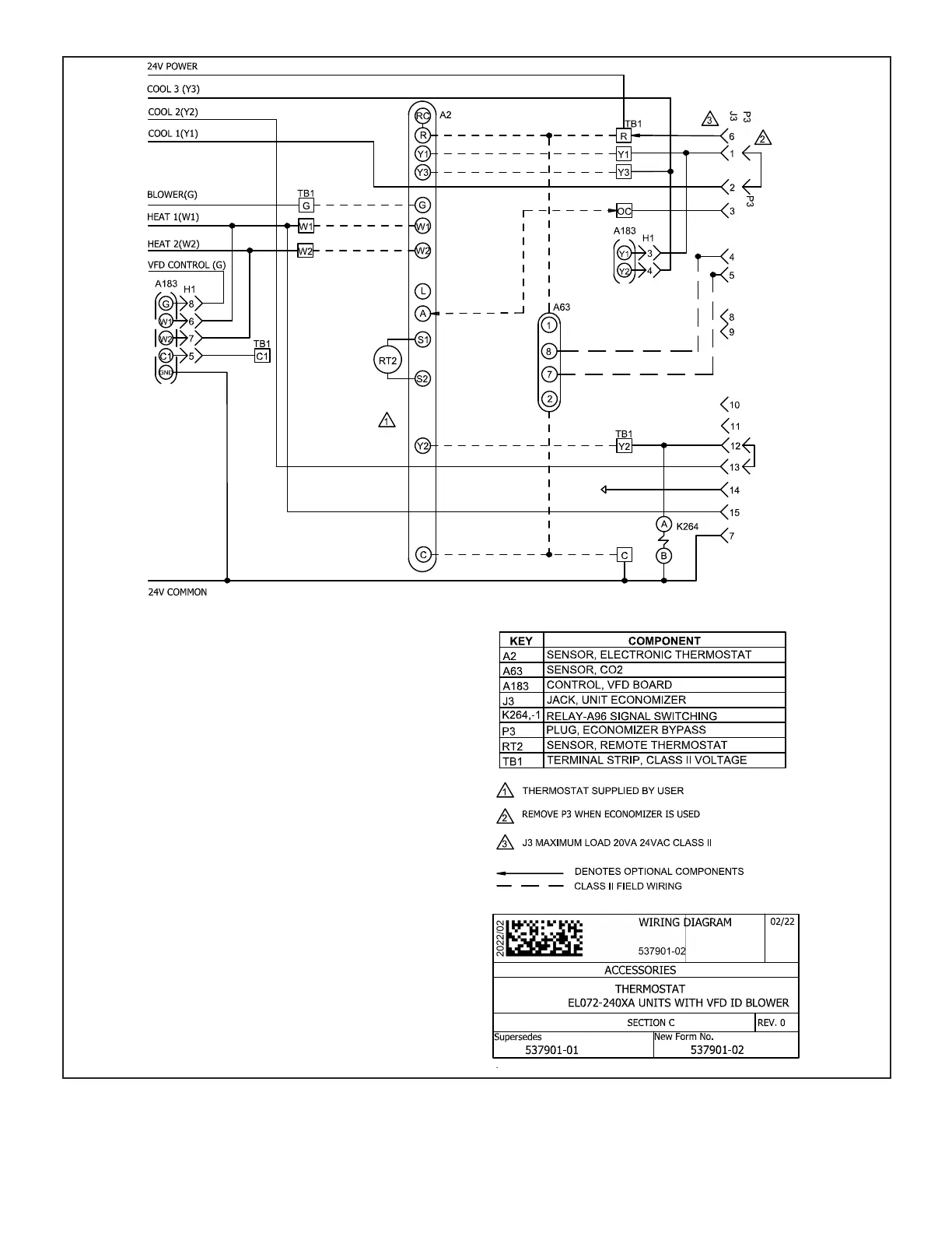
FIGURE 8. Typical Thermostat Wiring

Related product manuals