EasyManua.ls Logo

Lennox Fhm 150 - Refrigeration System Faults

Lennox Fhm 150
130 pages
Print Icon
To Next Page IconTo Next Page
To Next Page IconTo Next Page
To Previous Page IconTo Previous Page
To Previous Page IconTo Previous Page
Loading...
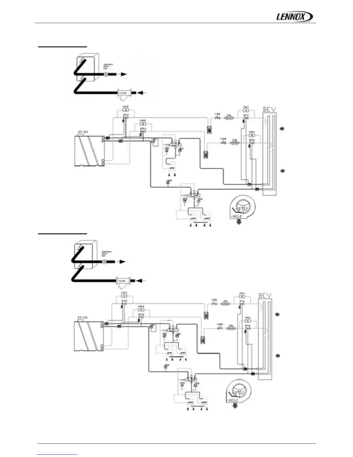
PRINCIPLE SKETCHES
FLEXYII_WSHP-IOM-0909-E Page 106
FWH - FWM 150
FWH - FWM 170

Table of Contents

Other manuals for Lennox Fhm 150

Related product manuals