EasyManua.ls Logo

Lennox Fhm 150 - Gas Burner 180;240 Kw

Lennox Fhm 150
130 pages
Print Icon
To Next Page IconTo Next Page
To Next Page IconTo Next Page
To Previous Page IconTo Previous Page
To Previous Page IconTo Previous Page
Loading...
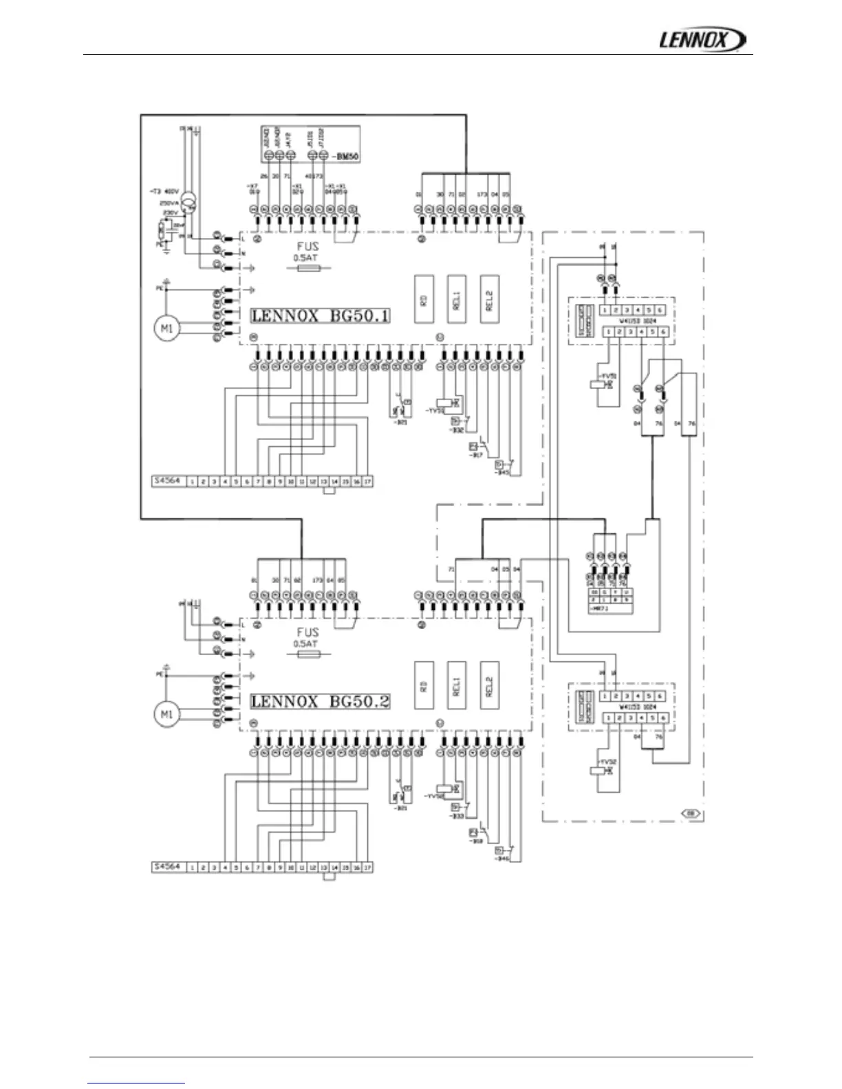
ELECTRICAL DATA : WIRING DIAGRAMS
FLEXYII_WSHP-IOM-0909-E Page 95
WIRING DIAGRAM GAS BURNER 180 / 240kW

Table of Contents

Other manuals for Lennox Fhm 150

Related product manuals