EasyManua.ls Logo

Lennox MLA012S4S-1P - Page 63

Lennox MLA012S4S-1P
168 pages
Print Icon
To Next Page IconTo Next Page
To Next Page IconTo Next Page
To Previous Page IconTo Previous Page
To Previous Page IconTo Previous Page
Loading...
63
6
6
6
YELLOW
RED
L-PRO
LOW PRESSURE SWITCH
H-PRO
HIGH PRESSURE SWITCH
4
BLACK
BLUE
BROWN
BLACK
RED
L2
BROWN
BROWN
BLUE
BLUE
BLACK
BLACK
1(A)
3(A)
2(A)
CN38
2
CN12
CN11
RED
BLUE
1(B)
1(C)
2(B)
2(C)
3(B) 3(C)
A
B
C
PAN
HEATER
CRANKCASE
HEATER
ELECTRONIC
EXPANSION
VALVE
4 WAY
VALVE
T4
T3
OUTDOOR
COIL TEMP. SENSOR
OUTDOOR
TEMP. SENSOR
T5
COMPRESSOR
DISCHARGE TEMP.
INDOOR COIL OUTLET
TEMP.SENSOR
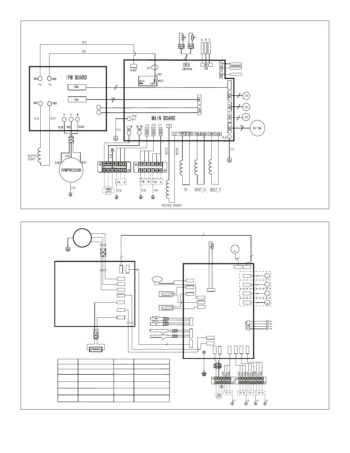
Figure 22. 208/230V MPA030S4M-1P Outdoor Unit Wiring Diagram
COMP
FM1
MAIN BOARD
RED
BLACK
U
V
W
Y/G
Y/G
L
L-PRO
T3
T4
H-PRO
TP
V
U
CN7
CN51
CN55
W
EEV
BLACK
DRIVER BOARD
RED
7
7
YELLOW
BLUE
P-1
CN53
CN3
CN4
CN10
CN40
CN22
CN44
CN8
CN9
CN7
CN2
CN1
CN5
CN54
CN52
CN33
ORANGE
ORANGE
CN6
SV
4-WAY1
BLUE
BLUE
HEAT_D
HEAT_Y
ORANGE
ORANGE
CN12 CN11
BLACK
RED
BLUE
BLUE
BLUE
YELLOW
RED
BLACK
RED
BLACK
CN20
M
6
A
CN21
M
6
B
CN17
M
6
C
CN18
M
6
D
CN30
CN29
CN28
CN27
CODE PART NAME
COMPRESSOR
HEAT_D
4-WAY VALVE
COMP
EEV
ELECTRIC EXPANSIVE
VALVE
CRANKCASE HEATER
HEAT_Y
H-PRO
L-PRO
LOW PRESSURE SWITCH
HIGH PRESSURE SWITCH
T3
T4
CONDENSER
TEMPERATURE SENSOR
OUTDOOR AMBIENT
TEMPERATURE SENSOR
PAN HEATER
SV
L
PFC INDUCTOR
T5
COMPRESSOR
DISCHARGE TEMP.
FM1
OUTDOOR DC FAN
PART NAMECODE
indoor coil
outlet temp.
sensor
Figure 23. MPA036S4M-1P Outdoor Unit Wiring Diagram

Table of Contents

Other manuals for Lennox MLA012S4S-1P

Related product manuals