EasyManua.ls Logo

Lennox MMA018SM4 - Dial Codes

Lennox MMA018SM4
88 pages
Print Icon
To Next Page IconTo Next Page
To Next Page IconTo Next Page
To Previous Page IconTo Previous Page
To Previous Page IconTo Previous Page
Loading...
26
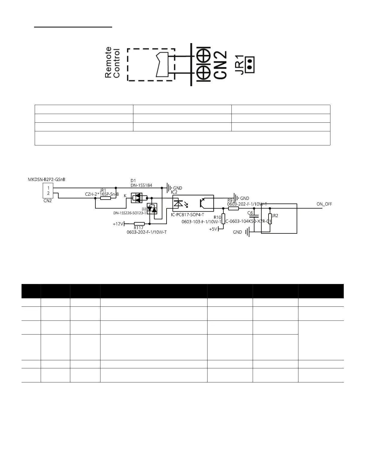
Remote Control Terminal
(ON-OFF, CN2, Short Connector JR1)
NOTE: Remove the short connector (JR1) when using the ON-OFF function.
Remote Switch Unit Status Demand Response Time
ON (close)
1
Unit is on. Within two (2) seconds
OFF (open)
2
Unit is o󰀨. Within two (2) seconds
1. Unit responds to demand; use the remote controller to select the required mode.
2. Unit will not respond to the demand from the remote controller.
NOTE: If the remote switch is o, but the remote controller is on, the CP code appear on the display board.
NOTE: The voltage of the port (CN2) is 12V DC; maximum current is 5mA.
4.5. Dial Codes
NOTE: The SW4 DIP switch is for certied service technical use only.
No. Dial Code Control
Scenario
Function ON OFF Note
1 SW1-2 1,2 Anti-cold blow protection option NO [Default] YES
2 SW1-3 1,2,3 Single cooling / heating and cooling options Cooling [Default] Cooling &
Heating
3 SW2-1 1 Compressor Running (demand working with
heat pump+ Electric heat)
Compressor
slower speed
[Default] Faster
Compressor
Only a󰀨ects
compressor and
W1
4 SW2-1 2 Temperature di󰀨erential to activate rst stage
auxiliary heat(the GAP of T1 and Ts),Wire
controller demand with heat pump+Electric heat
working together
2°F (1°C) [Default] 4°F (2°C)
5 SW2-2 2 Electric heat on delay YES [Default]NO
6 SW2-3 2 Electric auxiliary heating delay to start time 30 minutes [Default] 15
minutes
Based on SW2-2
is ON

Table of Contents

Related product manuals