EasyManua.ls Logo

Lennox SL280DFV SERIES - Page 46

Lennox SL280DFV SERIES
67 pages
Print Icon
To Next Page IconTo Next Page
To Next Page IconTo Next Page
To Previous Page IconTo Previous Page
To Previous Page IconTo Previous Page
Loading...
Page 46
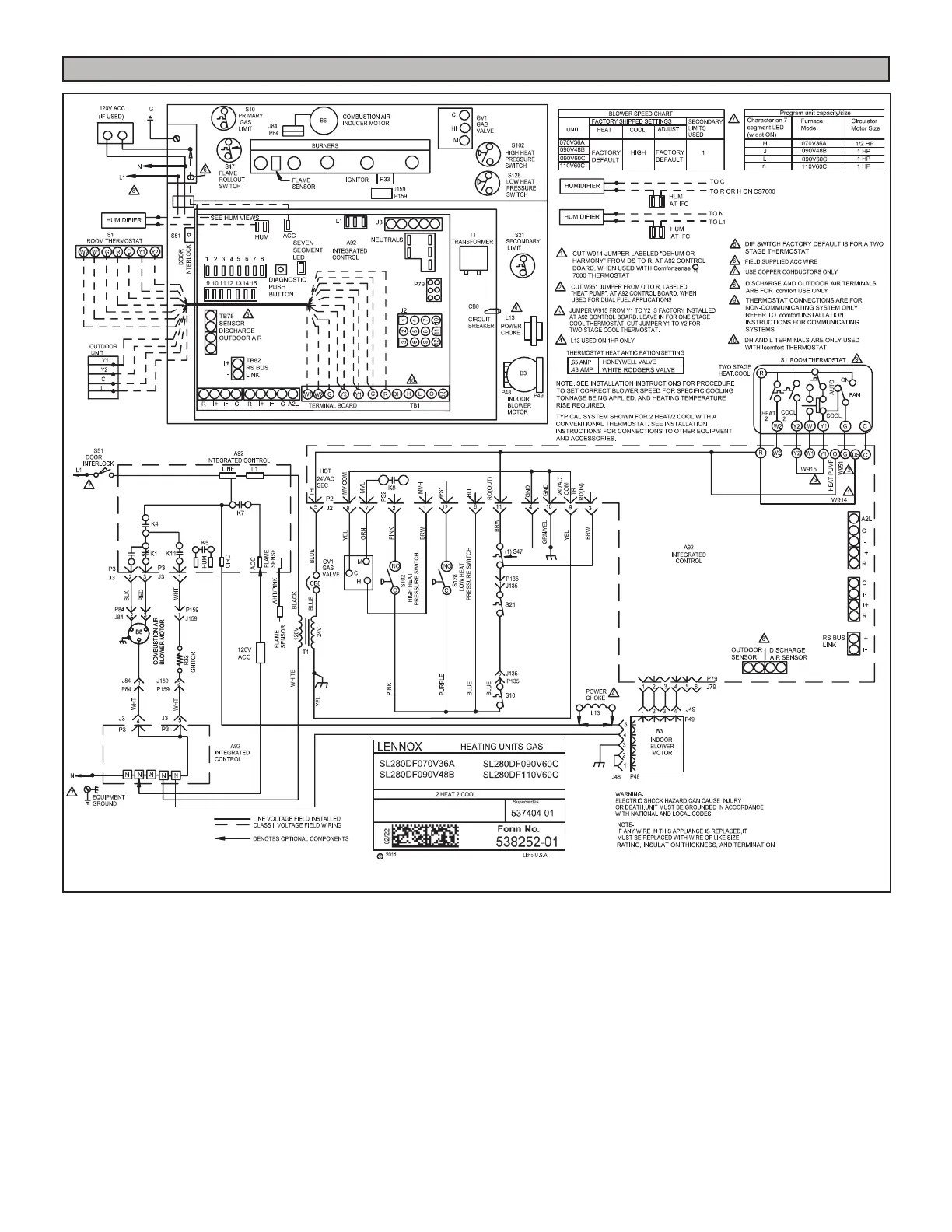
Wiring Diagram With Ignition Control 107045-XX

Other manuals for Lennox SL280DFV SERIES

Related product manuals