EasyManua.ls Logo

Lennox VRB144

Lennox VRB144
48 pages
To Next Page IconTo Next Page
To Next Page IconTo Next Page
To Previous Page IconTo Previous Page
To Previous Page IconTo Previous Page
Loading...
33
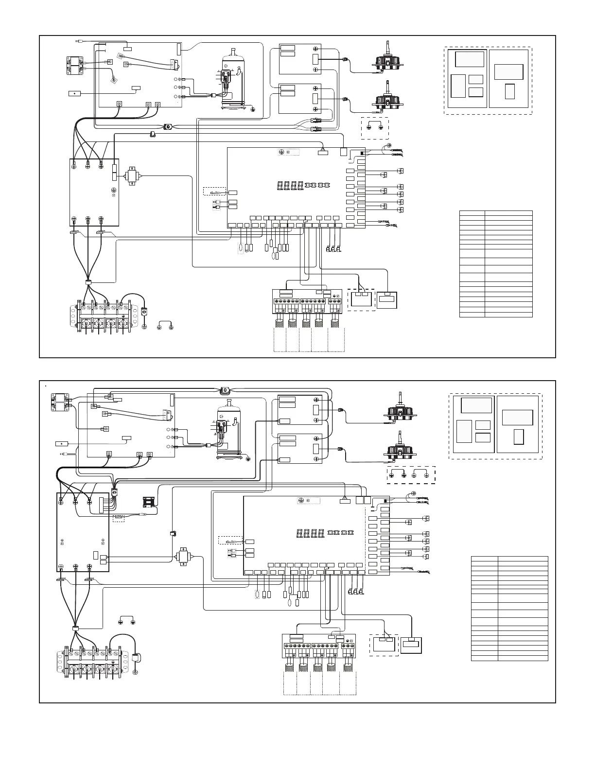
Figure 29. VRB072, 096, 120 - 230V
208/230V-3Ph-60Hz
Power in
Green
XT1
L1
L1’
L2
L2’
L3
L3’
CN47
CN7
AC filter board
CN1 CN2 CN3
CN4 CN5 CN6
U V W
CN9/CN8
N-OUT
Compressor
drive board A
CN3
C_P
C_N
DC fan drive
board A
XS4
XS3
XP4
XP3
U
V
w
CT2
CT1
CT3
N-IN
Red
Red
CN3
CN4/CN1
C_P
C_N
DC fan drive
board B
CN1/CN4
Reactor A
Compressor A
IC8
Ferrite
core
N=1
L1 L2 L3
Green
CN10CN8
CN9
K1 K2 O A
X Y P Q H1 H2
Signal wire terminal block
CN11
COMM. board
Ferrite core N=1
Red
Black
AC filter
board
PCBA Layout
Compressor
drive board A
DC fan drive
board A
DC fan drive
board B
Main board
COMM.
board
Up layerDown layer
P-IN
P-OUT
CN2
L1
L2 L3
CN15
CN14
CN6
CN7
Red
Black
Green
CN70
EEVA
CN72
EEVC
CN71
EEVB
Main board
DSP1
DSP2
CN58
CN85
ST2
CN84
HEATA
CN46
SV2
CN45
SV5
CN43
SV6B
CN40
SV8A
CN48
SV4
CN67_1
SV9
CN66_1
SV8B
CN76
HEATC1
CN75
HEATA
CN83
HEATB
CN42
ST3
CN44
ST1HEATB
CN41
SV6A
CN47
HEATC2
CN67
SV7
CN66
ALM/SV1
CN28
O-LCD
CN87
CN25
CN20
O-O
CN22
O-C
CN1
T4 T3A
CN14CN3
CN8
L-YL1
CN2
CN5
CN4
CN7
TF1 TF2
CN9
O-D
Blue
Blue
Blue
Blue
Blue
Blue
Blue
Blue
Brown
OKUPMENU
DOWN
CN80
T7C2 H-YL1
CN15
CN100
CN30
CN21
CN27CN26CN16
CN17
CN23
O-C
T10
T7C1 T3B T6A O-FAN
T6B
CN29
T4 T3A
TRAN S
TF1
O-LABK
T7C1 T3B
H-YL1
L-YL1
T6BT6A
HEATA
HEATA
EEVB
EEVC
EEVA
w
H-PRO
Transformer
CN1
CN3
CN19
CN5
CN21
CN4
L-PRO
CN18
CN19
CN91
Emergency Stop Switch
ST1
ST2
ST3
SV2
SV4
SV5
SV7
SV8A
HEATC1
HEATC2
Red
Black
Reserved
To
kilowatthour
meter
To
centralized
controller
To MS or IDU
communication
bus
To ODU
communication
bus
CODE NAME
ST1,ST2,ST3 Four-way valve
XT1 Terminal block
H-PRO
TP1-PRO
High pressure ON/OFF switch
Discharge temperature
ON/OFF switch
XS1-XS4 Plug
XP1-XP4
Jack
T3A,T3B,
T6A,T6B
Condenser or evaporator
temperature sensor
Outdoor ambient
temperature sensor
T4,T10
T7C1
Discharge temperature
sensor
TF1 Heat sink temperature sensor
L-YL1
H-YL1
Low pressure sensor
High pressure sensor
CT13,IC8 Current sensor
SV1SV8A Solenoid valve
HEATA Crankcase heater
L-PRO
Low pressure ON/OFF switch
HEATC1
2
Chassis heater
Note:
Component in dash line is optional.
The wiring picture shown is for reference only, actual product may vary.
Brown
Brown
Blue
Blue
Fan A
Fan B
Left
Right
Green
XP1 XS1
XP2 XS2
T10
CN10
LCD board
CN2
Low ambient
cooling kit board
TP1-PRO
EEVA
C
Electronic expansion value
Red
White
Black
CN4/CN1
CN1/CN4
Blue
Ferrite core
N=1
Ferrite core N=3
Brown
CEMENT RESISTOR
Red
Red
Black
Black
Red
White
Black
Red
Black
Red
White
Blue
Red
White
Blue
Red
White
Blue
Black
Black
Red
Black
Blue
Red
Black
Blue
Black
CN88/
CN88_1
CN1
CN3
Figure 30. VRB072, 096, 120 - 460V
460V-3Ph-60Hz
Power in
Green
XT1
L1
L1’
L2
L2’
L3
L3’
CN12
AC filter board
CN1 CN2 CN3
CN4 CN5 CN6
U V W
CN9/CN8
N-OUT
Compressor
drive board A
Black
deR
Fan A
Fan B
U
V
w
CT2
CT3
N-in
Red
Red
Reactor A
Compressor A
IC8
Ferrite
core
N=2
L1 L2 L3
Green
Ferrite core
N=1
Ferrite core
N=2
Red
Black
AC filter
board
PCBA Layout
Compressor
drive board A
DC fan drive
board A
DC fan drive
board B
Main board
COMM.
board
Up layerDown layer
Left
Right
P-in
P-OUT
CN2
L1
L2 L3
CN15
CN10
Reserved
To
kilowatthour
meter
To
centralized
controller
CN10CN8
CN9
K1 K2 O A
X Y P Q H1 H2
Signal wire terminal block
CN11
COMM. board
CN6
CN7
Red
Black
Green
CN9
CN16
CN7
TF1
T4 T3A
T7C1
T3B
H-YL1
L-YL1
T6B
T6A
EEVA
EEVC
EEVB
Green
Green
H-PRO
TRAN S2
Transformer
1
2
CN70
EEVA
CN72
EEVC
CN71
EEVB
Main board
DSP1
DSP2
CN28
O-LCD
CN87
CN25
CN10
CN20
O-O
CN22
O-C
CN1
T4 T3A
CN14
CN3
CN8
L-YL1
CN2CN5
CN4
CN7
TF1 TF2
CN9
O-DT7C2 H-YL1
CN15
CN100
CN30
CN21
CN27CN26CN16
CN17
CN18
CN19
CN23
CN91
O-C
T10
T7C1 T3B T6A O-FAN
T6B
CN29
O-LABK
CN58
CN85
ST2
CN84
HEATA
CN46
SV2
CN45
SV5
CN43
SV6B
CN40
SV8A
CN48
SV4
CN67_1
SV9
CN66_1
SV8B
CN76
HEATC1
CN75
HEATA
CN83
HEATB
CN42
ST3
CN44
ST1HEATB
CN41
SV6A
CN47
HEATC2
CN67
SV7
CN66
ALM/SV1
Blue
Blue
Blue
Blue
Blue
Blue
Blue
Blue
Brown
Brown
CN80
HEATA
HEATA
OKUPMENU
DOWN
T10
Note:
Component in dash line is optional.
The wiring picture shown is for reference only, actual product may vary.
CODE NAME
ST1,ST2,ST3 Four-way valve
XT1 Terminal block
H-PRO
TP1-PRO
High pressure ON/OFF switch
Discharge temperature
ON/OFF switch
XS1-XS2 Plug
XP1-XP2
Jack
T3A,T3B,
T6A,T6B
Condenser or evaporator
temperature sensor
Outdoor ambient
temperature sensor
T4,T10
T7C1
Discharge temperature
sensor
TF1 Heat sink temperature sensor
L-YL1
H-YL1
Low pressure sensor
High pressure sensor
CT13,IC8 Current sensor
SV1SV8A Solenoid valve
HEATA Crankcase heater
L-PRO
Low pressure ON/OFF switch
HEATC1
2
Chassis heater
XP1 XS1
XP2 XS2
Black
CN3
P
N
DC fan drive
board A
CN2
CN3
CN4/CN1
P
N
DC fan drive
board B
CN1/CN4
CN2
Blue
Red
Blue
Red
Red
Blue
Transformer
To MS or IDU
communication
bus
To ODU
communication
bus
ST1
ST2
ST3
SV2
SV4
SV5
SV7
SV8A
HEATC1
HEATC2
Red
Black
CT1
LCD board
CN1
CN2
Low ambient
cooling kit board
EEVA
C
Electronic expansion value
L-PRO
TP1-PRO
Emergency Stop Switch
CN1
CN4
CN5
CN3
CN4/CN1
CN1/CN4
Blue
Ferrite
core
N=3
Ferrite core
N=1
CEMENT RESISTOR
CN11
TRANSFORMER
Red
Red
Black
Black
Red White
Black
Red White
Black
Red
Black
Red
White
Blue
Red
White
Blue
Red White
Blue
Red
Black
Blue
Red
Black
Blue
Black
CN88/
CN88_1
CN88_1
/CN88
FUSE
Red
Red
CN3

Table of Contents

Related product manuals