EasyManua.ls Logo

Lennox VRB144

Lennox VRB144
48 pages
To Next Page IconTo Next Page
To Next Page IconTo Next Page
To Previous Page IconTo Previous Page
To Previous Page IconTo Previous Page
Loading...
44
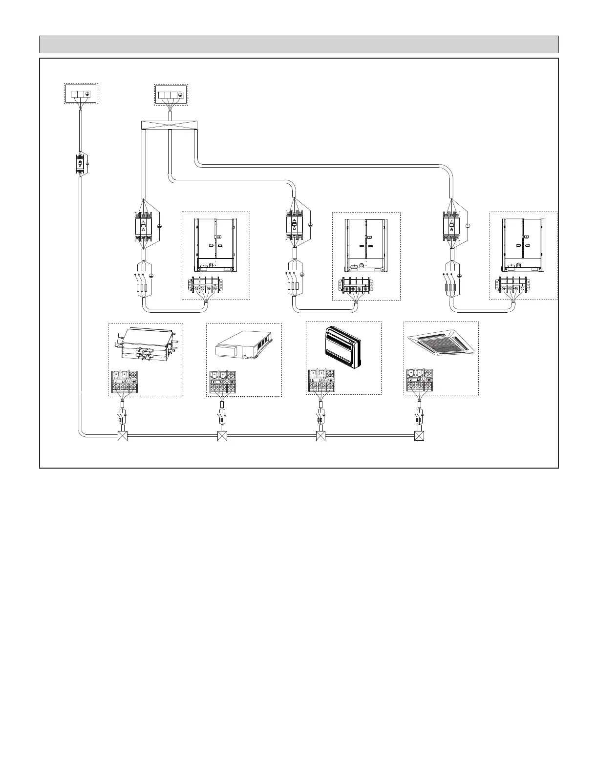
Figure 34. Typical Power Wiring
Electrical Installation for Indoor and Outdoor Units
L2 L3L1
L2L1
208/230V 3Ph 60Hz
or 460V 3Ph 60Hz
Power supply
208/230V 1Ph 60Hz
Power supply
Mode Selection Box Indoor unit
Indoor unit Indoor unit
Dedicated
breaker
Service
Disconnect
L1 L2
L1 L2
Fuse
Service
Disconnect
L1 L2
Fuse
Service
Disconnect
L1 L2
Fuse
Service
Disconnect
L1 L2
Fuse
Outdoor Unit (Main Unit)
L1 L2 L3
Outdoor Unit (Sub1 unit)
L1 L2 L3
Outdoor Unit(Sub2 Unit)
L1 L2 L3
L1 L2 L3
L1 L2 L3
L1 L2 L3
L1 L2 L3
L1 L2 L3
L1 L2 L3
Service
Disconnect
Service
Disconnect
Service
Disconnect
Always follow NEC/CEC and Local Codes.

Table of Contents

Related product manuals