EasyManua.ls Logo

Lennox XC20-036-230-01 - Low Pressure Switch (S87) Sequence of Operation (All Versions)

Lennox XC20-036-230-01
78 pages
Print Icon
To Next Page IconTo Next Page
To Next Page IconTo Next Page
To Previous Page IconTo Previous Page
To Previous Page IconTo Previous Page
Loading...
51
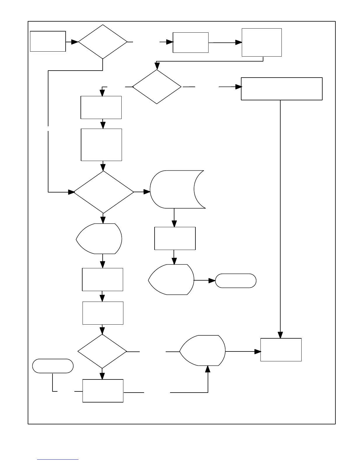
XC20
Y1 DEMAND
LOW
PRESSURE
SWITCH (S87)
CONTACTOR
ENERGIZED
INITIAL TRIP
SWITCH IS
IGNORED FOR
90 SECONDS
LOW
PRESSURE
SWITCH (S87)
CONTACTOR
DE-ENERGIZED
ANTI-SHORT
CYCLE TIMER
BEGINS
INCREMENT
5-STRIKE
COUNTER
1
LED ALERT
CODE / OR
MODERATE
ALERT 410
DISPLAYED
ANTI-SHORT
CYCLE TIMER
ENDS
CONTACTOR
ENERGIZED
LOW
PRESSURE
SWITCH (S87)
WAITING FOR
PRESSURE
SWITCH TO
CLOSE
SWITCH IS CLOSED OR OUTDOOR
AMBIENT TEMPERATURE IS 15ºF
OR BELOW
3
5-STRIKE
COUNTER
REACHES 5
WITHIN A SINGLE
Y1 DEMAND
LOW
PRESSURE
SWITCH (S87)
LOCKOUT
LED ALERT
CODE / OR
CRITICAL
ALERT 411
DISPLAYED
SERVICE
REQUIRED
2
LED ALERT
CODE / OR
MODERATE
ALERT 410
DISPLAYED
SERVICE
REQUIRED
2
NORMAL
OPERATION
CLOSED
CLOSED
OPEN
OPEN
OPEN
CLOSED
CLOSED
1.
The thermostat terminates demand when the contactor
is de-energized. If demand is satisfied when alarm is
not active, the 5-strike counter resets.
2. Lockouts can be reset by cycling power off to the out
door control (A175) R terminal.
3. The low pressure switch is ignored by the system when
the outdoor temperature is below 15°F.
Figure 28. Low Pressure Switch (S87) Sequence of Operation (All Versions)

Table of Contents

Related product manuals