EasyManua.ls Logo

Lexmark 7014-637 - Assembly 5: Frame

Lexmark 7014-637
304 pages
Print Icon
To Next Page IconTo Next Page
To Next Page IconTo Next Page
To Previous Page IconTo Previous Page
To Previous Page IconTo Previous Page
Loading...
7-10 Service Manual
7014-xxx
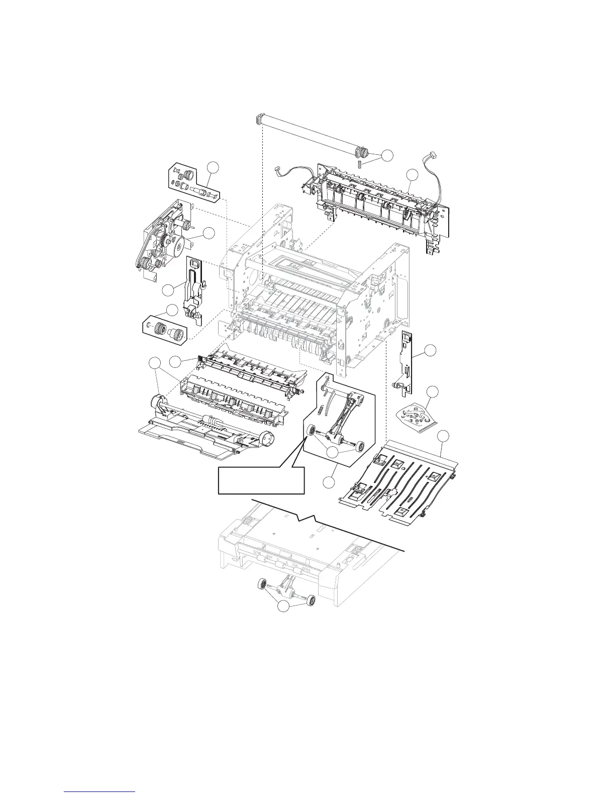
Assembly 5: Frame
7
1
2
5
6
7
12
8
See instruction
sheet in the FRU.
9
10
11
3
4
3

Table of Contents

Related product manuals