EasyManua.ls Logo

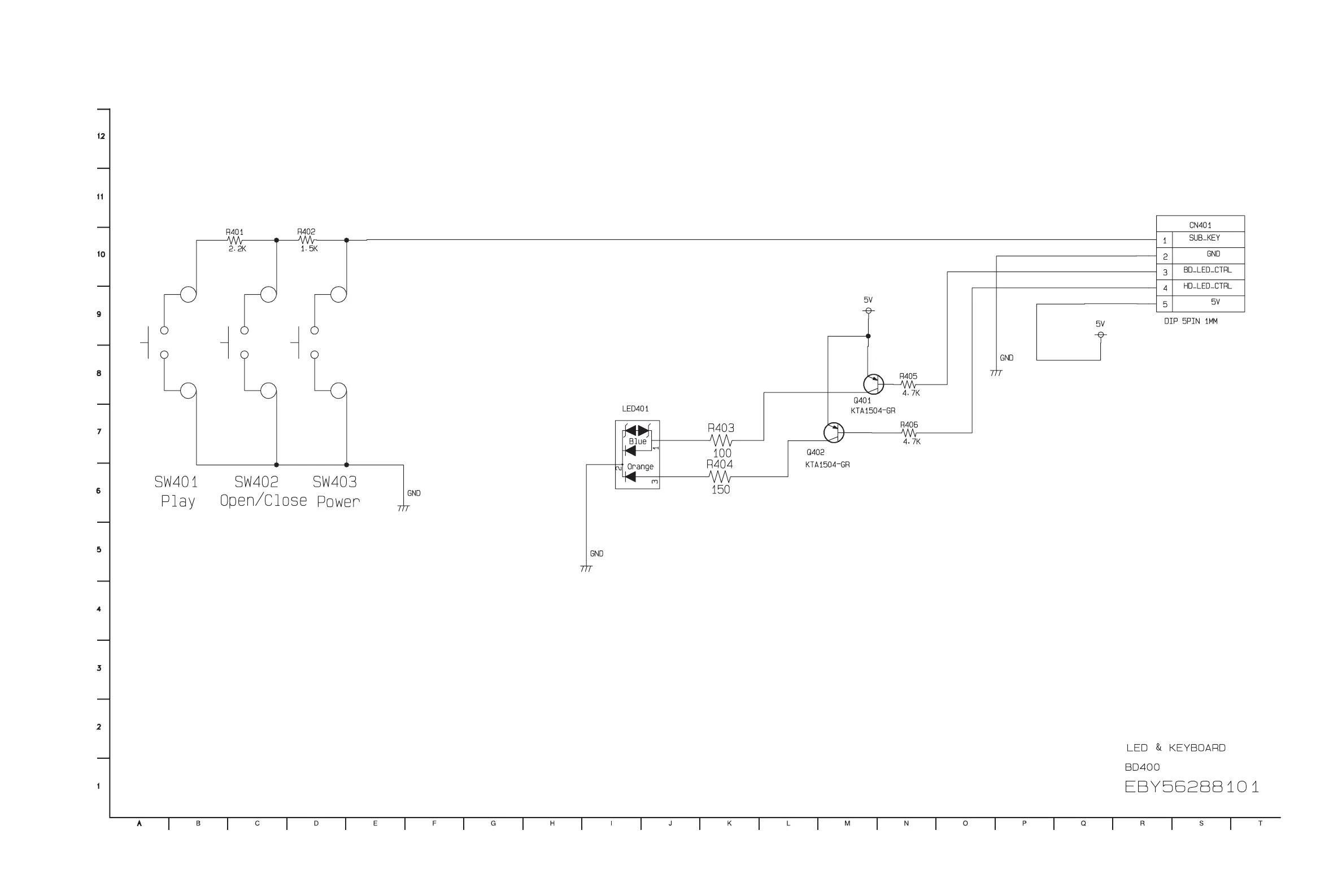
LG BD370 - Led & Key Circuit Diagram

LG BD370
107 pages
Print Icon
To Next Page IconTo Next Page
To Next Page IconTo Next Page
To Previous Page IconTo Previous Page
To Previous Page IconTo Previous Page
Loading...
Copyright © 2009 LG Electronics. Inc. All right reserved.
Only for training and service purposes
LGE Internal Use Only
3-65 3-66
5. LED & KEY CIRCUIT DIAGRAM

Table of Contents

Other manuals for LG BD370

Related product manuals