EasyManua.ls Logo

LG HDR676X - Focus;Tracking;Sled Servo Circuit

LG HDR676X
109 pages
Print Icon
To Next Page IconTo Next Page
To Next Page IconTo Next Page
To Previous Page IconTo Previous Page
To Previous Page IconTo Previous Page
Loading...
4-35
DESCRIPTION OF CIRCUIT
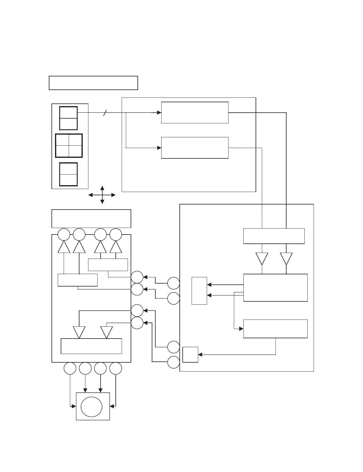
2. FOCUS/TRACKING/SLED SERVO CIRCUIT
2-1. FOCUS, TRACKING & SLED SERVO PROCESS
F
E
DC
AB
H
G
Pick-up
Focus Error
Detector
Focus Error
Detector
A,B,C,D
A,B,C,D
E,F,G,H
A,B,C,D
E,F,G,H
IC121 AN22113A
FE
TE
LIC201
Servo Control
MN103SA6G
TE FE
A/D
D
A
C
SLED
COMPENSATOR
A/D
PARALLEL
DIGITAL
COMPENSATOR
SDRV
60
64
66
67
STEP2
STEP1
LIC301 BD7956FS
29
30
M
Stepping Motor
Logic
A+
37 38 40 39
A- B- B+
Tracking Focusing
Actuator
T- T+ F- F+
5
4
LEVEL SHIFT
FDRV
TDRV
LEVEL SHIFT
53 54 51 52
Focus, Tracking, Sled Servo

Table of Contents

Related product manuals