EasyManua.ls Logo

LG HT353SDW - Page 5

LG HT353SDW
16 pages
Print Icon
To Next Page IconTo Next Page
To Next Page IconTo Next Page
To Previous Page IconTo Previous Page
To Previous Page IconTo Previous Page
Loading...
5
ENGLISH
Installation
Do not touch the inner pins of the jacks on the rear panel. Electrostatic discharge may cause
permanent damage to the unit.
Be careful of the following
Be careful to make sure children not
to put their hands or any objects into
the speaker duct.
*Speaker duct: A hall for plentiful
bass sound on speaker
cabinet(enclosure).
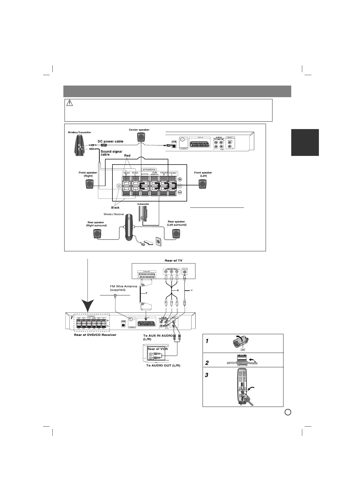
About Ferrite Core (optional)
Be sure to attach the ferrite core to the speaker
cables (for connecting to this unit).
This ferrite core can reduce noises.
How to attach the ferrite core
1 Press the stopper [a] of the ferrite core to
open.
2 Wind the cable once on the ferrite core.
3 Close the ferrite core unitl it clicks.
Note:
Attach the ferrite core near the unit (Refer to the fig.3
and comment.).
The length
here is as
short as
possible.
(fig.3)

Related product manuals