EasyManua.ls Logo

LG MULTI F Series - Refrigerant Flow Diagrams

LG MULTI F Series
392 pages
Print Icon
To Next Page IconTo Next Page
To Next Page IconTo Next Page
To Previous Page IconTo Previous Page
To Previous Page IconTo Previous Page
Loading...
Due to our policy of continuous product innovation, some specications may change without notication.
©LG Electronics U.S.A., Inc., Englewood Cliffs, NJ. All rights reserved. “LG” is a registered trademark of LG Corp.
280 | MULTI F OUTDOOR UNIT
Multi F and Multi F MAX Heat Pump System Engineering Manual
MULTI
F
MAX
MULTI
F
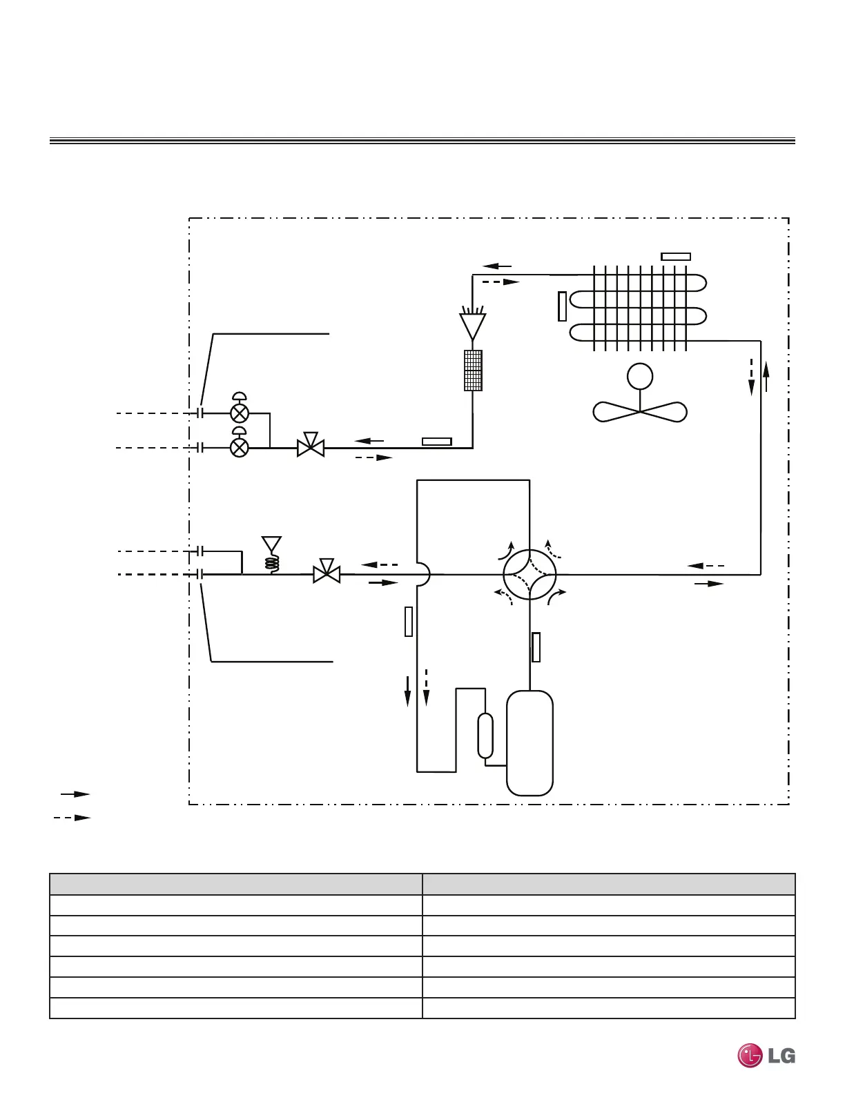
Figure 11: LMU18CHV Refrigerant Flow Diagram.
Description PCB Connector
Condenser Outlet Temperature Thermistor CN_C/PIPE
Condensing Temperature Thermistor CN_MID
Inlet Air Temperature Thermistor CN_AIR
Discharge Temperature Thermistor CN_DISCHARGE
Suction Temperature Thermistor CN_SUCTION
Pressure Sensor CN_H/PRESS
Table 274: LMU18CHV Thermistor Details.
M
Discharge
Temperature
Thermistor
Suction
Temperature
Thermistor
Inverter
Compressor
Electronic
Expansion
Valve
Condenser Outlet
Strainer
Temperature
Thermistor
Inlet Air
Temperature
Thermistor
Outdoor Unit
Flare Connection
Flare Connection
Condensing
Temperature
Thermistor
ROOM A
ROOM A
ROOM B
: Cooling
: Heating
ROOM B
Main SVC V/V
Main SVC V/V
Pressure
Sensor
MULTI F OUTDOOR UNIT
Refrigerant Flow Diagram

Table of Contents

Other manuals for LG MULTI F Series

Related product manuals