EasyManua.ls Logo

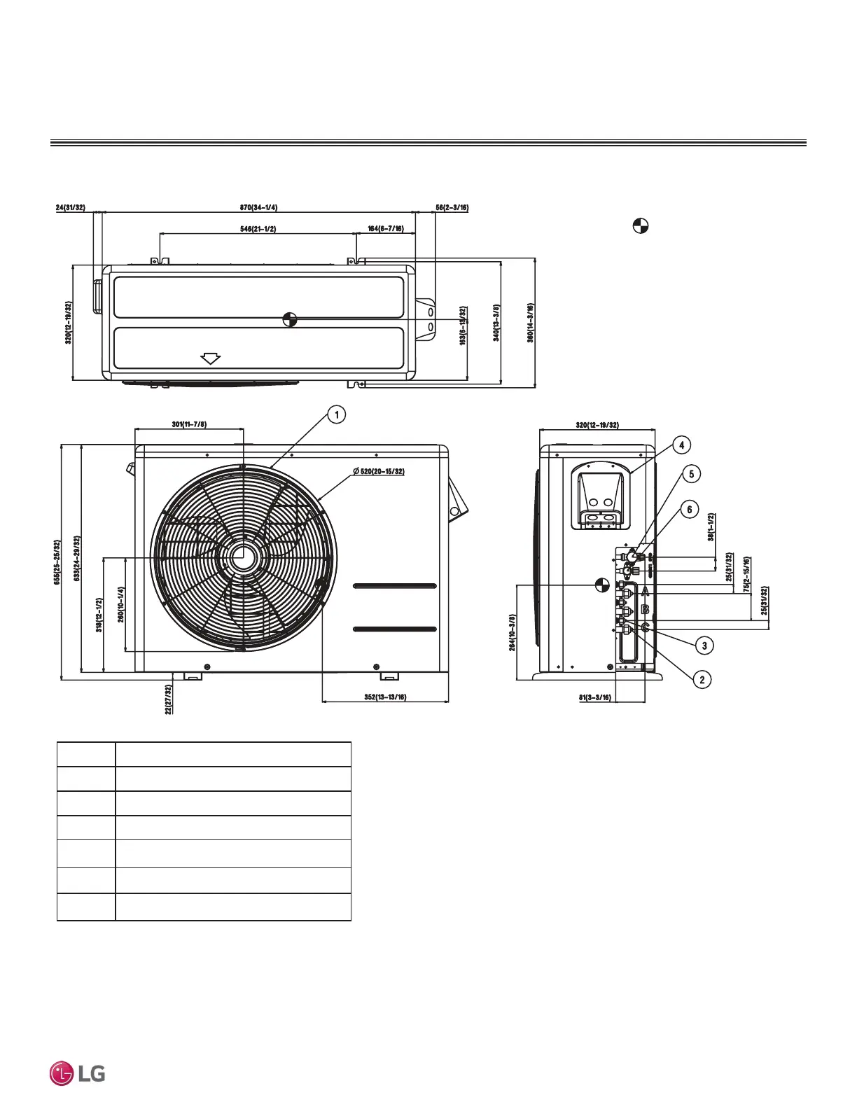
LG Tri-Zone Multi F - Page 21

LG Tri-Zone Multi F
77 pages
To Next Page IconTo Next Page
To Next Page IconTo Next Page
To Previous Page IconTo Previous Page
To Previous Page IconTo Previous Page
Loading...
MULTI F OUTDOOR UNIT | 21
Multi F Outdoor Unit Data
'XHWRRXUSROLF\RIFRQWLQXRXVSURGXFWLQQRYDWLRQVRPHVSHFL¿FDWLRQVPD\FKDQJHZLWKRXWQRWL¿FDWLRQ
©/*(OHFWURQLFV86$,QF(QJOHZRRG&OLIIV1-$OOULJKWVUHVHUYHG³/*´LVDUHJLVWHUHGWUDGHPDUNRI/*&RUS
MULTI
F
MAX
MULTI
F
MULTI F OUTDOOR UNIT
'LPHQVLRQV
Figure 7: LMU18CHV and LMU24CHV External Dimensions.
1. Unit must be installed in compliance with the installation manual.
2. Unit must be grounded in accordance with the local or state
regulations and applicable national codes.
3. All field-supplied electrical components and materials must comply
with the local, state, and national codes.
4. Electrical characteristics must be considered for electrical
work and design. The capacity of power cable and circuit
breaker for the outdoor unit must follow local, state, national,
and manufacturer requirements.
.
Notes:
Vapor pipe connection
Part Name
Air discharge grille
Liquid pipe connection
Power & transmission connection
No.
2
4
Main service valve (Vapor)
Main service valve (Liquid)
5
6
3
1
[Unit : mm(inch)]
Gravity point
5. For LMU18CHV Unit, ports A and B are available.
6. For LMU24CHV Unit, ports A, B, and C are available.

Other manuals for LG Tri-Zone Multi F

Related product manuals