EasyManua.ls Logo

LGMG AS0607 - Page 66

Default Icon
68 pages
Print Icon
To Next Page IconTo Next Page
To Next Page IconTo Next Page
To Previous Page IconTo Previous Page
To Previous Page IconTo Previous Page
Loading...
www.lgmgeurope.com
AS0808 / AS0808E / AS0812 / AS0812E / AS1012 / AS1012E / AS1212 / AS1212E / AS1413
66
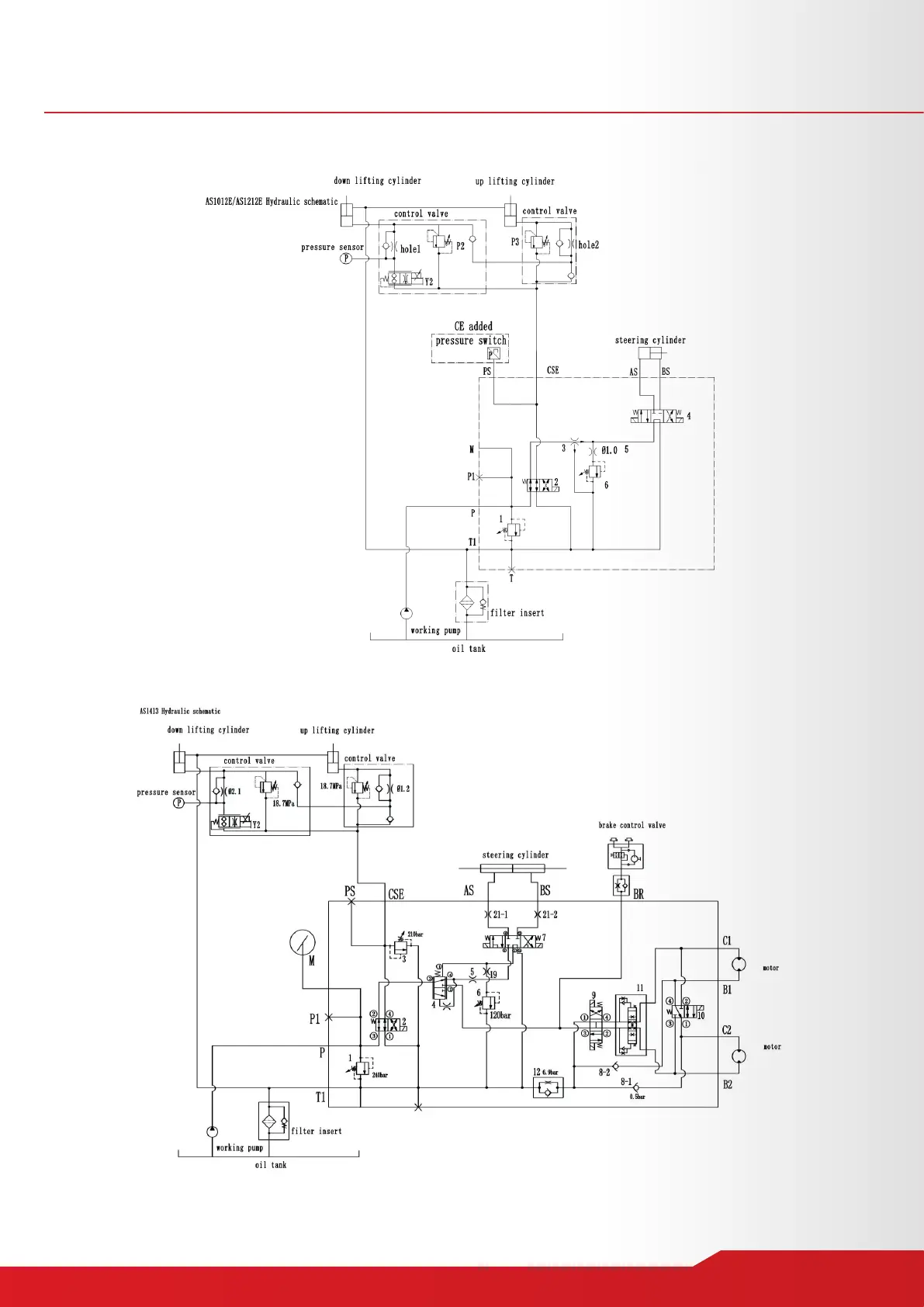
Chapter 13 - Hydraulic diagram
Operation Manual of Elevating Work Platform
97

Other manuals for LGMG AS0607

Related product manuals