EasyManua.ls Logo

Liebert CBH 017 - Page 27

Liebert CBH 017
32 pages
Print Icon
To Next Page IconTo Next Page
To Next Page IconTo Next Page
To Previous Page IconTo Previous Page
To Previous Page IconTo Previous Page
Loading...
24
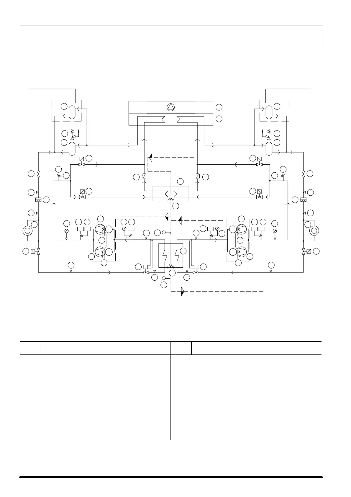
Fig. 9 --- Refrigerant circuit with total recovery (opt.)
CBH / CLH 017---020---023---025---028---030---032
CQH 017---020---023---025---028---030
T
T
MC
MC
MC
MC
FG FG
1919
19 19
19
19
19
19
24 24
2424
11 11
5 5
6
6
18
19 19
3
3
2 2 2 2
23 23
13
13
13
13
77
8
9
19
10
19
10
21
22
15 15
17
20
16
1313
1414
1
1
4
4
1
4
4
1
1212
NOT PRESENT FOR:
CBH 017--- 020
NOT PRESENT FOR:
CBH 017--- 020
HEAT RECOVERY
WATER INLET
VICTAULIC COUPLING (OPT.)
DN 80 --- 3” --- 88.9 mm
CHILLED WATER INLET
VICTAULIC COUPLING
DN 80 --- 3” --- 88.9 mm
CHILLED WATER OUTLET
VICTAULIC COUPLING
DN 80 --- 3” --- 88.9 mm
HEAT RECOVERY
WATER OUTLET
VICTAULIC COUPLING (OPT.)
DN 80 --- 3” --- 88.9 mm
Refrigerant components
Pos.
Item
Description Pos.
Item
Description
1
2
3
4
5
6
7
8
9
10
11
12
13
14
Compressor
High pressure switch (HP)
Low pressure switch (LP)
Crankcase heater
High pressure manometer (Opt.)
Low pressure manometer (Opt.)
Safety valve
Condenser
Fans
Pressure transducer
Shut--- off valve
Filter dryer
Shut--- off solenoid valve
Sight glass
15
16
17
18
19
20
21
22
23
24
Thermostatic expa nsion valve
Evaporator
Antifreeze heater (Op t.)
Control temperature sensor
Charge connection
Antifreeze sensor
Total recovery heat exchanger
Antifreeze heater
Nonreturnvalve
Liquid receiver

Related product manuals